Esclusiva: test SQD-Mini LED TCL 98X11L da 10.000 NIT
In esclusiva per i lettori di AV Magazine, la nostra analisi con misure di laboratorio sul nuovo top di gamma di TCL con diagonale da 98", tecnologia SQD-Mini LED, più di 20.000 zone di local dimming e ben 10.000 NIT di picco di luminanza: sarà davvero il TV più luminoso sul mercato?
Introduzione
L’articolo che state per leggere nasce da un’opportunità più unica che rara: poter mettere le mani su un prodotto - e non su un prototipo - a poche settimane dalla presentazione ufficiale. Parliamo del TV TCL X11L, annunciato al CES 2026 (il nostro articolo è a questo indirizzo) e installato in anteprima presso il punto vendita MediaWorld di Milano Certosa, sfruttando il palcoscenico offerto dalle Olimpiadi Invernali di Milano Cortina, di cui TCL è partner.
Il marchio cinese ci ha offerto la possibilità di provare il suo nuovo top di gamma per qualche ora e, ovviamente, abbiamo colto l’occasione con entusiasmo. Ci rendiamo conto che questo nostro "first look" sia ben più esaustivo di qualsiasi test disponibile online ma non si tratta di un test. L'ambiente è troppo luminoso, il firmware ancora non definitivo e manca tutta la parte di test con le nostre clip video di riferimento. Abbiamo già in programma un test davvero completo, ancora più approfondito e definitovo e che arriverà prossimamente, quando il prodotto sarà disponibile.
SOMMARIO
- Introduzione
- Caratteristiche e tecnologia
- Specifiche tecniche
- Design e costruzione
- Misure di laboratorio
- Picco di luminanza e contrasto
- Colori e triangolo di gamut
- Misure con segnali SDR
- Misure con segnali HDR10
- Considerazioni preliminari
- Conclusioni
Caratteristiche e tecnologia
La serie X11L è la risposta di TCL alla tecnologia Mini LED RGB, ritenuta deficitaria sotto alcuni aspetti. Ecco quindi la soluzione: gli SQD-Mini LED, che introducono i Super Quantum Dot e l’Ultra Color Filter. Abbiamo già trattato queste novità in dettaglio nell’approfondimento realizzato per il CES 2026; qui vogliamo invece riassumere i principali vantaggi, concentrandomi sui benefici concreti.
Tutti i produttori parlano sempre più spesso della possibilità di coprire lo spazio colore BT.2020 al 100% ma, come abbiamo spiegato in un precedente articolo, non è possibile. Il vero valore aggiunto di queste soluzioni è piuttosto una maggiore efficienza luminosa, che si traduce nella possibilità di raggiungere picchi di luminanza estremamente elevati.
Alla base degli SQD-Mini LED troviamo una versione evoluta dei Quantum Dot. Il principio di funzionamento resta invariato, ma cambia la struttura interna: i Mini LED blu innescano i Super Quantum Dot, che convertono parte della luce in rosso e verde. Questi nuovi nanocristalli sono basati su materiali luminescenti ad alta efficienza e permettono di ottenere più luce a parità di consumi e calore generato, migliorando al tempo stesso durata e stabilità delle prestazioni nel tempo.
I Quantum Dot, pur non essendo materiali organici, risentono dell’esposizione agli agenti esterni che, nel lungo periodo, ne riducono la capacità di conversione della luce. Il passo in avanti è legato alla presenza di strati protettivi più efficaci, in particolare una barriera contro ossigeno e umidità che serve a garantire un’elevata affidabilità nel corso degli anni.
La luce attraversa poi il pannello LCD e raggiunge l’Ultra Color Filter, che interviene a livello dei singoli pixel per aumentare la purezza dei colori ed eliminare il cosiddetto "color crosstalk". Cosa significa? In pratica si tratta della sovrapposizione tra le lunghezze d’onda di rosso, verde e blu, che riduce la copertura degli spazi colore più ampi e limita la tavolozza cromatica disponibile. Nel capitolo dedicato alle misure vedremo l’impatto reale di queste tecnologie.
Per quanto riguarda le altre caratteristiche, i TV X11L sono disponibili nei tagli da 75, 85 e 98 pollici, tutti basati su pannelli LCD WHVA 2.0, cioè con angolo di visione più ampio e rapporto di contrasto più elevato. La retroilluminazione è Full LED Array con Mini LED e local dimming, mentre la frequenza di aggiornamento arriva fino a 144 Hz.
Specifiche tecniche
- Modelli: 75X11L, 85X11L, 98X11L
- Diagonale: 75, 85 e 98 pollici
- Risoluzione: Ultra HD, 3840 x 2160 pixel
- Pannello: LCD WHVA 2.0
- Frequenza di aggiornamento: fino a 144 Hz
- Retroilluminazione: Mini LED
- Zone di local dimming: 75 pollici: 11.520; 85 pollici: 14.400; 98 pollici: 20.736
- Picco di luminanza: 9.000 nit per il 75 pollici, 10.000 nit per 85 e 98 pollici
- Tipo HDR: HDR10+, HDR10, HLG, Dolby Vision IQ
- Tipo audio: sistema audio Bang & Olufsen, compatibile con Dolby Atmos, DTS:X e Dolby Atmos FlexConnect
- SoC: MediaTek Pentonic 800
- Ingressi HDMI: quattro porte in versione 2.1 compatibili con segnali fino a 144 Hz, Auto Low Latency Mode, Variable Refresh Rate, FreeSync ed eARC (HDMI 1)
- Prezzo suggerito: 3.999 euro 75 pollici, 5.699 euro 85 pollici, 8.999 euro 98 pollici
Design e costruzione
Il modello esposto presso MediaWorld è il 98 pollici, il più grande della gamma. L’impatto visivo è imponente, ma mitigato da linee semplici e pulite sul frontale. Le cornici sono sottilissime su tutti i lati tranne quello inferiore, dove trova posto la griglia che cela tre coppie di speaker. I loghi sono visibili solo da vicino: al centro in basso c'è quello TCL, nell’angolo destro la dicitura “audio by Bang & Olufsen”.
La base è composta da due piedi in metallo, alti e sottili, che garantiscono un’ottima stabilità. A colpire è soprattutto lo spessore: sono circa 2,1 centimetri uniformi su tutta la superficie. Un risultato notevole, considerando la complessità della retroilluminazione e la necessità di assicurare un’adeguata rigidità strutturale.
Gran parte del merito va sicuramente attribuito alla tecnologia Micro-OD, che riduce la distanza ottica, cioè lo spazio tra la retroilluminazione e lo strato che diffonde la luce sullo schermo. Il retro adotta una finitura a scacchi che ricorda quella di alcuni TV Sony. I cavi sono completamente occultati grazie a sportelli rimovibili, mentre nella parte superiore spiccano le due coppie di woofer dedicate alla riproduzione dei bassi.
La cura costruttiva si riflette anche nel telecomando: è un blocco compatto di colore argento, privo di tastierino numerico e con un’ergonomia ben studiata. Particolarmente interessante la presenza di tasti sul lato destro: troviamo un bilanciere per la regolazione della luminosità e un pulsante dedicato al cambio rapido della modalità video.
Misure di laboratorio
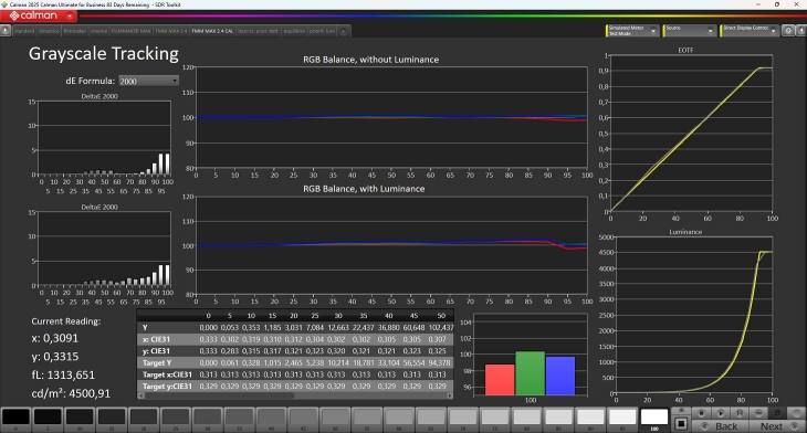
Grazie alla disponibilità di Nicola Micali, Marketing Manager di TCL Italia, abbiamo avuto la possibilità di passare alcune ore per l'analisi del TV che è esposto in anteprima nel punto vendita Mediaworld Certosa e che tutti i visitatori possono visionare. Per l'occasione abbiamo trasferito alcuni elementi del laboratorio di avmagazine che ci consentono rilevazioni affidabili e con incertezza di misura molto contenuta, tra cui fotometri di riferimento, uno spettrometro ad alta risoluzione e il software Calman Ultimate di Portrait Displays.
Nell'analisi di un TV le rilevazioni fotometriche sono estremamente importanti, direi fondamentali, poiché quando sono ripetibili e verificabili, permettono non solo di verificare le prestazioni del TV in esame ma anche di confrontarlo con altri prodotti già testati o che saranno esaminati in futuro. Misure legate alla qualità della strumentazione e dall'esperienza degli operatori, due aspetti chiave della nostra realtà editoriale.
Tra le tante misure condotte nelle due ore di analisi approfondita, abbiamo rilevato il rapporto di contrasto nativo, quindi dopo aver disattivato la retroilluminazione dinamica a zone, l'estensione del triangolo di gamut e soprattutto il picco di luminanza in funzione dell'area utilizzata, sia con segnali SDR che con quelli HDR10 e soprattutto con bilanciamento del bianco corretto e non con impostazioni estreme che poco hanno a che fare con una qualità di visione accettabile.
La nostra analisi ha rivelato una qualità del prodotto decisamente elevata, con un firmware che - almeno secondo il produttore - subirà ulteriori affinamenti proprio nei prossimi giorni. Abbiamo rilevato le prestazioni con segnali a gamma dinamica standard e soprattutto con segnali HDR10 e non solo con le principali impostazioni predefinite. Abbiamo avuto anche il tempo per una veloce taratura e per l'analisi del menu di calibrazione che ci ha lasciato così soddisfatti da dover programmare sicuramente più di una guida sulle possibilità di calibrazione di questa nuova serie.
Picco di luminanza e contrasto
Le promesse sul picco di luminanza vengono mantenute e vi anticipo che non è l'aspetto più sorprendente. Il valore di 10.000 NIT è il limite massimo che è stato impostato negli standard televisivi HDR per la riproduzione dei contenuti con gamma dinamica elevata. Fino a poco fa 10.000 NIT sembravano fantascienza, soprattutto considerando la bassa efficienza luminosa di un TV con tecnologia LCD. Ebbene nel TCL 98X11L i 10.000 NIT vengono addirittura superati, anche se di misura e per una manciata di secondi e comunque dopo che il pannello è stato a "riposo" per un tempo sufficiente.
Molto più interessanti i valori che vengono raggiunti con impostazioni predefinite di qualità elevata, come ad esempio "Cinema" e Filmmaker" e anche con aree dello schermo molto piccole, anche dell'1%, un aspetto che può contare su ben 20.736 zone, con area di una singola zona che vale meno dello 0,005% di quella totale. Si tratta di aree di appena 40.000 pixel che permettono al TV di arrivare fino a livelli di luminanza molto elevati su zone molto piccole e senza troppi rischi di causare aloni. Per una verifica di questo aspetto dovrete aspettare la nostra analisi in ambiente completamente oscurato.

Le misure sono effettuate con Calman Professional di Portrait Displays
- click per ingrandire -
Sempre rimanendo sui valori di luminanza, con segnali HDR ed SDR il picco che viene raggiungo con tutta l'area dello schermo utilizzata è quasi imbarazzante e supera gli 820 NIT. Ancora più sensazionale il picco in HDR con bilanciamento del bianco corretto che supera ampiamente 8.000 NIT già con il 2% dell'area e arriva a superare i 7.500 NIT anche con il 10% dell'area impegnata. Valori di picco molto simili sia con segnali HDR che SDR e dipendenti quasi esclusivamente dalle condizioni di misura. Anche sotto stress, il picco di luminanza con area del 10% non scende comunque al di sotto dei 4.500 NIT.

Le misure sono effettuate con Calman Professional di Portrait Displays
- click per ingrandire -
Il rapporto di contrasto nativo, misurato dopo la calibrazione del bianco e dopo aver disattivato il local dimming, è di 4.896:1. Vi ricordiamo che questi valori valgono per questo esemplare che ha una diagonale di 98" e anche una densità di zone molto elevata. Gli altri due modelli con diagonale da 75" e 85" hanno una densità di zone di retro-illuminazione sensibilmente diversa e potrebbero mostrare picchi di luminanza più contenuti per zone più piccole. Solo un'analisi approfondita sui modelli di produzione che arriveranno ad aprile potrà fornirci le informazioni necessarie per analizzare le eventuali differenze.
Colori e triangolo di gamut
Prima delle verifiche di copertura cromatica con il colorimetro abbiamo eseguito un'analisi dei colori primari e del bianco con uno spettrometro ad alta risoluzione che ci ha permesso di analizzare la distribuzione spettrale per calcolare anche la massima copertura del gamut considerando le dominanti delle singole componenti cromatiche rispetto a quelle di riferimento.
Lo spettro di emissione dei colori primari è stretto ma non abbastanza per posizionare le coordinate cromatiche sul bordo dello spazio colore. Dei tre colori primari soltanto la componente verde ha una dominante spettrale vicina al riferimento del triangolo di gamut ITU-R BT.2020, ovvero 528 nm invece che 532 nm, quindi la fase della componente verde è sicuramente corretta ed è un'ottima notizia, ma la saturazione ancora non è sufficiente per raggiungere il vertice verde del gamut BT.2020.
Le altre due componenti rossa e blu hanno invece dominanti di lunghezza d'onda sensibilmente distanti dal riferimento e che valgono rispettivamente 646 nm invece che 630 nm per la componente rossa e 446 nm invece che 467 nm per la componente blu. In altre parole la copertura dello spazio REC BT.2020 sarebbe comunque impossibile, ammesso che fosse importante.

Le misure sono effettuate con Calman Professional di Portrait Displays
- click per ingrandire -
Le misure con il software Calman Ultimate indicano una copertura massima dello spazio colore che è del 91,6% del triangolo di gamut REC BT.2020, dato elevatissimo in assoluto ma comunque ben diverso dal 100% che era stato anticipato a gennaio. Il dato di copertura del triangolo DCI-P3 che, vi ricordo, è quello di riferimento per la quasi totalità dei contenuti disponibili è del 98,3%, quindi eccellente.

Le misure sono effettuate con Calman Professional di Portrait Displays
- click per ingrandire -
Vi segnalo il nostro approfondimento dal titolo: "100% del REC BT.2020 ed oltre? Impossibile e inutile" che è disponibile a questo indirizzo. Molto più interessante la qualità della riproduzione dei colori con segnali HDR10, specialmente dopo la calibrazione, che potete verificare più avanti, nel paragrafo dedicato alle classiche rilevazioni con saturazioni crescenti.
Misure con segnali SDR
Iniziamo l'analisi delle prestazioni con segnali a gamma dinamica standard con le impostazioni predefinite "Standard". In queste condizioni il bilanciamento del bianco è tendente al ciano-blu, i colori sono super-saturi, la rilevazione dei valori del gamma è fortemente limitata dalla modulazione del contrasto e il picco di luminanza vale al massimo 408 NIT. Per essere chiari, con le impostazioni predefinite "Standard" le prestazioni sono mediocri.
La modalità "Dinamica", verificata solo per curiosità sul massimo picco di luminanza, è davvero terribile. Il picco sale fino al notevole valore di 4.500 NIT ma tutto il resto è pessimo. Come per la modalità standard, la rilevazione dei valori del gamma subisce la modulazione del contrasto e non è attendibile. La riproduzione dei colori è pessima, con errori ancora più elevati rispetto alla modalità "Standard".
La modalità predefinita "Filmmaker" è già più convincente. Il picco di luminanza sale fino a 856 NIT, la linearità dei valori del gamma è più che accettabile, con valore medio vicino a 2,3 mentre c'è già un buon equilibrio cromatico generale, con una dominante verde che però non guasta irreparabilmente la riproduzione del colori che si distinguono per un Delta E 2000 medio pari a 3,22 che è sufficiente.
Le impostazioni predefinite "Cinema" sono praticamente identiche a "Filmmaker", sia per picco di luminanza che per correttezza dei colori. Anche il picco di luminanza è il medesimo. Cambia soltanto la curva del gamma con valori medi più contenuti (la media è di 2,16) e la saturazione dei colori primari e secondari che scende leggermente, pur con un Delta E 2000 che vale 2,78 ma solo per una migliore precisione dei colori più saturi.
Visto il poco tempo a disposizione, abbiamo saltato la calibrazione con segnali video SDR e ci siamo subito impegnati nell'analisi del TV con segnali video HDR10.
Misure con segnali HDR10
Proseguiamo l'analisi delle prestazioni con segnali HDR10 con le impostazioni predefinite "peggiori", iniziando dalla modalità Standard che prosegue idealmente quello che avevamo già visto con segnali a gamma dinamica normale, quindi con bilanciamento del bianco che tende al blu-ciano e picco di luminanza che sfiora le 7.000 candele su metro quadrato.
La riproduzione dei colori segue pedissequamente la linearità della luminanza e il bilanciamento del bianco, a cui si aggiunge una importante desaturazione limitata alla componente primaria rossa e a quelle complementari gialla e magenta, assieme alle prevedibili alterazione della tinta per tutti i colori tranne la componente primaria blu.
Prestazioni che peggiorano ulteriormente nella modalità Dinamica, con un aumento di luminanza più evidente su quasi tutta la scala dei grigi, con un picco che scende a 4.380 NIT ma con li livello a metà scala che dai 94 NIT di riferimento passa a ben 682 NIT. Colori sulla stessa linea delle impostazioni standard, pur con qualche ulteriore peggioramento per quanto riguarda la tinta e che evitiamo anche di pubblicare.
Con la modalità "Filmmaker" si inizia a fare sul serio. Il bilanciamento del bianco migliora decisamente anche se rimane una leggera dominante verde, più evidente sulle alte luci e che avevano già notato con segnali SDR. Il picco di luminanza supera i 4.700 NIT e prosegue come una retta fino al 90% del segnale in ingresso quando inizia un dolce roll-off. La linearità è fin troppo spanciata verso l'alto: tra il 10% e il 35% di intensità del segnale in ingresso, i valori di luminanza valgono il doppio rispetto al riferimento.
Con la modalità Filmmaker migliora anche la qualità della riproduzione dei colori; una correttezza cromatica che però non convince e che mostra simili problemi di saturazione che affligge la componente rossa e qualche errore di tinta di troppo. Siamo in effetti ancora lontani dalle migliori prestazioni dei TV TCL di questi ultimi anni ed è altamente probabile che nelle prossime settimane un primo aggiornamento firmware potrebbe risolvere buona parte dei problemi.
La modalità predefinita "Cinema" è molto simile alle prestazioni della modalità Filmmaker, quindi con valori di luminanza quasi raddoppiati almeno fino al 50% di intensità del segnale in ingresso (immagine molto luminosa ma più compressa in dinamica) ma con un tone mapping differente: stavolta non ci si ferma al 90% e al posto del roll-off della modalità Filmmaker si prosegue fino al 100% del segnale in ingresso, sfiorando i 7.000 NIT. La riproduzione dei colori è quasi sovrapponibile a quella della modalità Filmmaker.
Decidiamo quindi di dare un'occhiata al menù immagine per verificare quale sia il Tone mapping selezionato delle modalità predefinita e se c'è margine per migliorare la proporzione e il picco dei valori di luminanza, bilanciamento del bianco e colori. Iniziamo subito con l'impostazione del bilanciamento del bianco su due punti per correggere la leggera dominante verde, soprattutto sulle alte luci. Notiamo anche che rimane attiva la selezione del gamma che in HDR può sembrare improprio ma che permette di modulare meglio i livelli di luminosità sulle medie luci. In default è impostato su 2.2 e decidiamo quindi di provare il valore 2.4.
Il risultato è davvero notevole. Ancor più che sono bastati pochi secondi, senza dover intervenire con la calibrazione del bilanciamento del bianco sui 20 punti ma quasi esclusivamente sulle alte luci. Il picco di luminanza arriva a 4.500 NIT e rimane il roll-off al 90% ma ora tutti i livelli di luminanza della scala dei grigi sono ben riprodotti senza esagerazioni e con bilanciamento del bianco decisamente corretto.
Notevole anche il miglioramento nella riproduzione dei colori, soprattutto nei livelli di saturazione della componente rossa e degli incarnati. In queste condizioni, il Delta E 2000 medio vale appena 1,24 metre l'errore massimo supera di misura le quattro unità. Si tratta di prestazioni eccellenti che possono essere ulteriormente migliorate con una calibrazione fine del CMS oppure con la preparazione di una 3D LUT da integrare poi nel TV.
Proseguiamo osservando le voci del menù che modulano il tone mapping. Ci sono quattro modalità a disposizione e in alcune modalità predefinite il tone mapping è spento. Le voci alternative disponibili sono tre: "Descrizione dettagliata della priorità", "Equilibrio" e "Priorità luminosità". Selezionando le ultime due, si riesce a sfruttare quasi tutta la riserva di potenza a disposizione e si arriva fino a circa 7.000 NIT, con una piccola incertezza a cavallo tra il 90% e il 95% di intensità del segnale in ingresso.
Ovviamente serviranno test più approfonditi per verificare di nuovo le prestazioni con firmware più aggiornati e sopratuttto un ambiente oscurato per considerare sfumature che in test così rapidi possono sfuggire. Il nuovo TCL 98X11L ha sfoderato una prestazione che mai avremmo immaginato di poter verificare su un TV appena annunciato e che sarà oggetto di ulteriori affinamenti per i prossimi due mesi.
Le nostre prime impressioni
X11L è il televisore più luminoso che abbiamo testato finora. E non serve neanche uno strumento di misura per rendersene conto: basta vederlo in funzione. In gamma dinamica standard si superano agevolmente gli 800 nit a pieno schermo, un valore molto elevato che garantisce prestazioni ottimali in qualsiasi ambiente, anche quelli dove la luce del sole entra abbondante dalle finestre. Fin qui non ci sarebbe però nulla di straordinario: negli ultimi anni il numero di TV LCD capaci di raggiungere questi livelli è cresciuto in modo costante. È con l'HDR che X11L scava un solco netto rispetto alla concorrenza. Gli oltre 8.000 nit misurati - con una taratura rapida, lo ricordiamo - offrono due vantaggi tutt’altro che trascurabili.
Il primo riguarda il tone mapping, ovvero il processo che adatta i contenuti in HDR alle capacità del pannello. Il nuovo SQD-Mini LED non ne ha praticamente mai bisogno poiché ha una tale riserva di luminanza da poter riprodurre quasi tutti i contenuti 1:1, cioè esattamente come sono stati realizzati all’origine. La conferma si ottiene attivando la mappatura dei toni dinamica, che analizza le immagini in tempo reale per offrire un adattamento più evoluto e visivamente appagante. L’unico adattamento realmente necessario riguarda i rarissimi contenuti masterizzati a 10.000 nit, che sono numericamente ben poco rappresentativi. Il secondo vantaggio è la capacità di rendere l'HDR perfettamente fruibile in qualsiasi ambiente.
Normalmente si consiglia una visione in penombra o al buio, perché un contenuto in HDR può includere scene molto scure e picchi fino a 4.000 nit. Far convivere entrambi gli estremi in stanze fortemente illuminate non è semplice: se si schiarissero solo le parti scure, si finirebbe col diminuire la dinamica. Agire sulle parti più brillanti non è invece quasi mai possibile, proprio perché i picchi possono essere così alti da oltrepassare il limite raggiunto dal pannello o da arrivarci molto vicino: se il TV opera già al massimo o quasi, è impossibile aumentare ancora la luce emessa. X11L supera questi vincoli grazie all'abbondante surplus di luminanza: si può rimappare la scala verso l’alto, rendendo la visione in HDR perfettamente godibile ogni condizione - fatichiamo a immaginare un ambiente così luminoso da richiedere qualcosa di più.
Sarà invece interessante effettuare il test opposto: verificare, cioè, se si può scalare altrettanto bene verso il basso, limitando la retroilluminazione intorno ai 1.000 nit per una visione rilassante al buio (è una prova che abbiamo già in cantiere). Sempre restando in tema di ambienti luminosi, segnaliamo che il filtro antiriflesso è sembrato piuttosto efficace: i punti vendita come MediaWorld sono ricchi di luci molto potenti e il TCL è riuscito a contenere molto bene la stragrande maggioranza dei riflessi, come si può notare nelle foto allegate all’articolo. Il pannello WHVA mantiene le promesse: l’angolo di visione è più ampio, circa una decina di gradi in più rispetto agli LCD VA convenzionali.
Conclusioni
Il primo contatto con gli SQD-Mini LED è stato decisamente positivo. Sotto alcuni aspetti siamo andati oltre le aspettative: ci riferiamo in particolare al picco di luminanza e ad alcune scelte nella calibrazione di fabbrica. Superare gli 8.000 NIT è già un traguardo ragguardevole in assoluto, ma diventa ancora più significativo quando la misura si riferisce a una veloce calibrazione in modalità Filmmaker, una delle più accurate. Se poi, in determinate condizioni, si possono raggiungere effettivamente i 10.000 NIT, ci troviamo di fronte a un televisore che oggi non ha eguali sotto questo profilo.
Gli altri aspetti che ci hanno colpito sono la qualità costruttiva, paragonabile a quella di marchi più blasonati, e il filtro antiriflesso, che ha superato la prova di un centro commerciale, uno dei test più difficili in assoluto. Rimandiamo invece il giudizio sul local dimming: le condizioni del punto vendita non permettono di valutarlo, potremmo azzardare qualche considerazione, ma finiremmo col tirare a indovinare.
Possiamo però affermare con sicurezza che il contrasto nativo, con local dimming disattivato, è molto buono e che in ambienti luminosi gli aloni praticamente non si vedono, nemmeno da posizioni molto angolate. Per tutto il resto l’appuntamento è con la recensione completa, che realizzeremo non appena saranno disponibili i primi esemplari destinati alla vendita. In quell’occasione valuteremo in modo approfondito tutti gli aspetti che qui abbiamo solo potuto anticipare.
Per maggiori informazioni: tcl.com/global/en/tvs/x11l - tcl.com/it/it
Similar Post You May Like
-
100% del REC BT.2020 ed oltre? Impossibile e inutile
In questo ultimo lustro, prima con i proiettori trilaser RGB e oggi con i TV LCD con retroilluminazione... »
-
TV Hisense 2026: Mini LED RGB evo e MicroLED a 4 colori, cosa cambia
Hisense ha presentato al CES di Las Vegas le principali novità della gamma TV 2026: i nuovi... »
-
TV TCL 2026: SQD-Mini LED è la nuova tecnologia di punta
La gamma TV TCL 2026 introduce la tecnologia SQD-Mini LED, una soluzione proprietaria che segna... »
-
TV LG 2026: arrivano i Micro RGB, OLED più luminosi e Wallpaper, serie C rivoluzionata
LG ha annunciato al CES 2026 la nuova gamma TV, con il ritorno dei Wallpaper, l’arrivo dei... »
-
TV Samsung 2026: Micro RGB fino a 130 pollici e QD-OLED da 4.500 nit
Samsung ha presentato al CES di Las Vegas la gamma TV 2026: i nuovi top di gamma sono i Micro... »
-
IFA 2025: Nicola Micali e il mercato TV ITA secondo TCL
Il mercato TV in Italia dà segni di stabilità ma è in rapida evoluzione, con una netta crescita... »
-
TCL svela i TV 2025: QD-Mini LED, nuove tecnologie e prezzi
Il colosso cinese TCL ha presentato la nuova gamma di TV per l'Europa, con un focus sui modelli... »
-
Test TCL 98P745: il nuovo riferimento
Il prezzo attuale del nuovo TV di TCL con diagonale da 98", inferiore ai 2.500 euro, assieme... »
-
First Look TCL 98C805: 98" MiniLED
Il nuovo taglio extra-large di TCL propone caratteristiche molto interessanti, tra cui spiccano... »
Commenti (21)
-
17 Febbraio 2026, 06:49
Esclusiva: test SQD-Mini LED TCL 98X11L da 10.000 NIT
Che colpo questa prova, complimenti davvero.
Se è vero che non possiamo parlare di un prodotto "economico" comunque il rapporto Q/P sembra davvero molto favorevole, al netto che non conosciamo quali saranno le condizioni reali in tema di street price una volta arrivato. Ma anche se il MW mantenesse quel prezzo, sarebbe comunque molto interessante.
Altra cosa che mi ha più che positivamente colpito è in generale il TV.
Con 4 HDMI 2.1, luminosità ineguagliabile per qualunque OLED al momento (e forse anche un domani), local dimming (parlo del 98") che visto in alcune video recensioni estere sembra davvero molto ma molto buono, fino a 144Hz di verticale e tutte le compatibilità HDR ed anche per i VideoGames, con buona pace dell'audio on board, che sempre da quelle recensioni sembra davvero molto interessante. Ed il plus dell'Atmos flex che sembra promettere meno mal di testa agli utenti meno smaliziati.
Insomma, non vorrei essere tacciato di blasfemia, ma potrebbe essere il primo TV commerciale dopo tanto tempo che rappresenta una sorta "di investimento". Certo che l'anno prossimo TCL produrrà altro perché il mercato va così, ma "quanto migliore" potrebbe essere per un uso reale rispetto a questo X11 ? Non mi viene in mente nulla al momento.
Davvero curioso che arrivi aprile per la commercializzazione e per avere le prove definitive fatte nei vostri Lab.
Per adesso complimenti ancora per il colpaccio ed aspettiamo solo un pò. -
17 Febbraio 2026, 07:40
Esclusiva: test SQD-Mini LED TCL 98X11L da 10.000 NIT
Relativamente ai prezzi fino agli 85 pollici costa il doppio di un oled c5 tutto questo rapporto q/p non lo vedo. Sempre un lcd è ;)
Ci si può abbronzare questo è vero ma per il resto non so cosa ci si possa fare con 10000 nits -
17 Febbraio 2026, 09:46
Esclusiva: test SQD-Mini LED TCL 98X11L da 10.000 NIT
In questo test abbiamo potuto verificare la stragrande maggioranza dei parametri principali, compreso il picco di luminanza. Per verificare la qualità generale, anche rispetto ad un TV OLED di pari dimensioni, come già anticipato bisognerà attendere. Quello che manca in questo test è la parte più importante, ovvero il controllo visivo in ambiente oscurato con i nostri contenuti test, selezionati dopo anni di analisi ed esperienza. Senza questo passaggio è quasi impossibile dare un giudizio sulla qualità, anche rispetto ad un OLED.
Non vi nego che sarebbe necessario anche uno shoot-out tra un OLED di riferimento (pensavo ad un G5 oppure addirittura ad un LOEWE Stellar) con diagonale da 83" e il TCL X11L da 85". In quel caso sarebbe interessante osservare prima di tutto cosa succede con i nostri contenuti test nelle basse luci ma anche e soprattutto ai contenuti più estremi e ai colori più saturi ad alta luminanza.
Ne riparleremo sicuramente ad aprile. -
17 Febbraio 2026, 09:55
Esclusiva: test SQD-Mini LED TCL 98X11L da 10.000 NIT
Per la cronaca un G5 con diagonale da 83" ha uno street-price compreso tra 3.900 euro e 5.200 euro.
Il C5 ha uno street-price compreso tra 2.800 euro e 3.200 euro.
Il B5 ha uno street-price a cavallo dei 2.000 euro. -
17 Febbraio 2026, 10:18
Esclusiva: test SQD-Mini LED TCL 98X11L da 10.000 NIT
Attendo le tue analisi approfondite ma mi sembra che (sulla carta) nella stragrande maggioranza dei contenuti masterizzati a 1000 nits questo tcl confermi anche tu che non giustifica (almeno sul taglio intermedio) un costo maggiore di un lcd che per quanto innovativo non può avere il controllo a livello di pixel di un oled. -
17 Febbraio 2026, 19:27
Esclusiva: test SQD-Mini LED TCL 98X11L da 10.000 NIT
Per i contenuti con cap a 1.000 NIT, i vantaggi di un TV del genere sono due. Da un lato c'è la riserva di potenza per poter scalare in alto la luminanza generale e rendere fruibile la riproduzione dei contenuti HDR anche con luce in ambiente; l'altro riguarda il vantaggio sulla luminanza dei colori ad alta saturazione, vantaggio condiviso con la tecnologia QD-OLED, a discapito di quella OLED WRGB. Al buio i vantaggi sembrerebbero oggettivamente assenti. -
18 Febbraio 2026, 06:30
Esclusiva: test SQD-Mini LED TCL 98X11L da 10.000 NITOriginariamente inviato da: Emidio Frattaroli, post: 5321216, member: 1
Per la cronaca un G5 con diagonale da 83" ha uno street-price compreso tra 3.900 euro e 5.200 euro ... cut ...
Per correttezza credo bisognerebbe fare il confronto con la serie G6 etc di LG, dato che è l'ultima presentata al recente CES come la X11.
Poi sarà che penso solo a questo taglio per le mie esigenze personali, ma nella mia disanima iniziale mi riferivo al modello con diagonale da 98" che ha le caratteristiche più premianti anche in funzione delle zone di dimming locale.
Purtroppo LG non ci crede in questi tagli e se non sbaglio l'OLED con diagonale da 97" ha il pannello rimasto a tre se non quattro generazioni fa in termini di avanzamento tecnologico, eppure anche lo street price è alto più del doppio del listino suggerito di questo X11. -
18 Febbraio 2026, 15:03
Esclusiva: test SQD-Mini LED TCL 98X11L da 10.000 NIT
@@Emidio Frattaroli
Se la crescita della luminanza di punta continua di questo passo ci saranno a breve due conseguenze.
1) I colorimetri andranno fuori range operativo.
2) La dotazione per rilievi e calibrazioni dovrà includere occhiali da saldatore. -
19 Febbraio 2026, 16:22
Esclusiva: test SQD-Mini LED TCL 98X11L da 10.000 NIT
Wow, questo TCL 98X11L sembra davvero una bestia! 10.000 NIT e 20.000 zone di local dimming promettono colori brillanti e HDR spettacolare, soprattutto con molta luce. Al buio però, rispetto a un OLED, il vantaggio non è così evidente. Comunque sulla carta è davvero impressionante! -
19 Febbraio 2026, 18:42
Esclusiva: test SQD-Mini LED TCL 98X11L da 10.000 NITOriginariamente inviato da: Marien, post: 5321346, member: 150502
Al buio però, rispetto a un OLED, il vantaggio non è così evidente. Comunque sulla carta è davvero impressionante!
Ci metterei un altro "buio" nel mezzo, ossia "al buio buio, ripetto ad un OLED (che è per fisica inarrivabile), il vantaggio non è così evidente" ed è sacrosanto.
Però bisogna chiedersi se si intende installare il TV nella "famigerata" bat-caverna, e quindi un livello del nero tendente all'assoluto ha un suo perché, altrimenti in condizioni "normali" di un salotto, e la sfortuna non voglia che si abbia una finestra vicino allo schermo o che per qualche scherzo del destino ci sia una luce ambiente particolarmente incidente, è verosimile che la differenza vera a livello di visione fra questo X11 nel taglio da 98" ed un LG serie 6 nel taglio da 97" sia molto più che ravvicinata. Col primo che ha un listino di 1/3 del secondo.







































