AV Magazine - Logo
Stampa
Esclusiva: test SQD-Mini LED TCL 98X11L da 10.000 NIT
Esclusiva: test SQD-Mini LED TCL 98X11L da 10.000 NIT
“In esclusiva per i lettori di AV Magazine, la nostra analisi con misure di laboratorio sul nuovo top di gamma di TCL con diagonale da 98", tecnologia SQD-Mini LED, più di 20.000 zone di local dimming e ben 10.000 NIT di picco di luminanza: sarà davvero il TV più luminoso sul mercato?”
Pagina 1 -

Introduzione


- click per ingrandire -

L’articolo che state per leggere nasce da un’opportunità più unica che rara: poter mettere le mani su un prodotto - e non su un prototipo - a poche settimane dalla presentazione ufficiale. Parliamo del TV TCL X11L, annunciato al CES 2026 (il nostro articolo è a questo indirizzo) e installato in anteprima presso il punto vendita MediaWorld di Milano Certosa, sfruttando il palcoscenico offerto dalle Olimpiadi Invernali di Milano Cortina, di cui TCL è partner.


- click per ingrandire -

Il marchio cinese ci ha offerto la possibilità di provare il suo nuovo top di gamma per qualche ora e, ovviamente, abbiamo colto l’occasione con entusiasmo. Ci rendiamo conto che questo nostro "first look" sia ben più esaustivo di qualsiasi test disponibile online ma non si tratta di un test. L'ambiente è troppo luminoso, il firmware ancora non definitivo e manca tutta la parte di test con le nostre clip video di riferimento. Abbiamo già in programma un test davvero completo, ancora più approfondito e definitovo e che arriverà prossimamente, quando il prodotto sarà disponibile.

SOMMARIO

 

Caratteristiche e tecnologia


- click per ingrandire -

La serie X11L è la risposta di TCL alla tecnologia Mini LED RGB, ritenuta deficitaria sotto alcuni aspetti. Ecco quindi la soluzione: gli SQD-Mini LED, che introducono i Super Quantum Dot e l’Ultra Color Filter. Abbiamo già trattato queste novità in dettaglio nell’approfondimento realizzato per il CES 2026; qui vogliamo invece riassumere i principali vantaggi, concentrandomi sui benefici concreti.

Tutti i produttori parlano sempre più spesso della possibilità di coprire lo spazio colore BT.2020 al 100% ma, come abbiamo spiegato in un precedente articolo, non è possibile. Il vero valore aggiunto di queste soluzioni è piuttosto una maggiore efficienza luminosa, che si traduce nella possibilità di raggiungere picchi di luminanza estremamente elevati.


- click per ingrandire -

Alla base degli SQD-Mini LED troviamo una versione evoluta dei Quantum Dot. Il principio di funzionamento resta invariato, ma cambia la struttura interna: i Mini LED blu innescano i Super Quantum Dot, che convertono parte della luce in rosso e verde. Questi nuovi nanocristalli sono basati su materiali luminescenti ad alta efficienza e permettono di ottenere più luce a parità di consumi e calore generato, migliorando al tempo stesso durata e stabilità delle prestazioni nel tempo.

I Quantum Dot, pur non essendo materiali organici, risentono dell’esposizione agli agenti esterni che, nel lungo periodo, ne riducono la capacità di conversione della luce. Il passo in avanti è legato alla presenza di strati protettivi più efficaci, in particolare una barriera contro ossigeno e umidità che serve a garantire un’elevata affidabilità nel corso degli anni.


- click per ingrandire -

La luce attraversa poi il pannello LCD e raggiunge l’Ultra Color Filter, che interviene a livello dei singoli pixel per aumentare la purezza dei colori ed eliminare il cosiddetto "color crosstalk". Cosa significa? In pratica si tratta della sovrapposizione tra le lunghezze d’onda di rosso, verde e blu, che riduce la copertura degli spazi colore più ampi e limita la tavolozza cromatica disponibile. Nel capitolo dedicato alle misure vedremo l’impatto reale di queste tecnologie.

Per quanto riguarda le altre caratteristiche, i TV X11L sono disponibili nei tagli da 75, 85 e 98 pollici, tutti basati su pannelli LCD WHVA 2.0, cioè con angolo di visione più ampio e rapporto di contrasto più elevato. La retroilluminazione è Full LED Array con Mini LED e local dimming, mentre la frequenza di aggiornamento arriva fino a 144 Hz.

 

Specifiche tecniche

  • Modelli: 75X11L, 85X11L, 98X11L
  • Diagonale: 75, 85 e 98 pollici
  • Risoluzione: Ultra HD, 3840 x 2160 pixel
  • Pannello: LCD WHVA 2.0
  • Frequenza di aggiornamento: fino a 144 Hz
  • Retroilluminazione: Mini LED
  • Zone di local dimming: 75 pollici: 11.520; 85 pollici: 14.400; 98 pollici: 20.736
  • Picco di luminanza: 9.000 nit per il 75 pollici, 10.000 nit per 85 e 98 pollici
  • Tipo HDR: HDR10+, HDR10, HLG, Dolby Vision IQ
  • Tipo audio: sistema audio Bang & Olufsen, compatibile con Dolby Atmos, DTS:X e Dolby Atmos FlexConnect
  • SoC: MediaTek Pentonic 800
  • Ingressi HDMI: quattro porte in versione 2.1 compatibili con segnali fino a 144 Hz, Auto Low Latency Mode, Variable Refresh Rate, FreeSync ed eARC (HDMI 1)
  • Prezzo suggerito: 3.999 euro 75 pollici, 5.699 euro 85 pollici, 8.999 euro 98 pollici

 

Design e costruzione


- click per ingrandire -

Il modello esposto presso MediaWorld è il 98 pollici, il più grande della gamma. L’impatto visivo è imponente, ma mitigato da linee semplici e pulite sul frontale. Le cornici sono sottilissime su tutti i lati tranne quello inferiore, dove trova posto la griglia che cela tre coppie di speaker. I loghi sono visibili solo da vicino: al centro in basso c'è quello TCL, nell’angolo destro la dicitura “audio by Bang & Olufsen”.


- click per ingrandire -

La base è composta da due piedi in metallo, alti e sottili, che garantiscono un’ottima stabilità. A colpire è soprattutto lo spessore: sono circa 2,1 centimetri uniformi su tutta la superficie. Un risultato notevole, considerando la complessità della retroilluminazione e la necessità di assicurare un’adeguata rigidità strutturale.


- click per ingrandire -

Gran parte del merito va sicuramente attribuito alla tecnologia Micro-OD, che riduce la distanza ottica, cioè lo spazio tra la retroilluminazione e lo strato che diffonde la luce sullo schermo. Il retro adotta una finitura a scacchi che ricorda quella di alcuni TV Sony. I cavi sono completamente occultati grazie a sportelli rimovibili, mentre nella parte superiore spiccano le due coppie di woofer dedicate alla riproduzione dei bassi.


- click per ingrandire -

La cura costruttiva si riflette anche nel telecomando: è un blocco compatto di colore argento, privo di tastierino numerico e con un’ergonomia ben studiata. Particolarmente interessante la presenza di tasti sul lato destro: troviamo un bilanciere per la regolazione della luminosità e un pulsante dedicato al cambio rapido della modalità video.

 

Misure di laboratorio


- click per ingrandire -

Grazie alla disponibilità di Nicola Micali, Marketing Manager di TCL Italia, abbiamo avuto la possibilità di passare alcune ore per l'analisi del TV che è esposto in anteprima nel punto vendita Mediaworld Certosa e che tutti i visitatori possono visionare. Per l'occasione abbiamo trasferito alcuni elementi del laboratorio di avmagazine che ci consentono rilevazioni affidabili e con incertezza di misura molto contenuta, tra cui fotometri di riferimento, uno spettrometro ad alta risoluzione e il software Calman Ultimate di Portrait Displays.


- click per ingrandire -

Nell'analisi di un TV le rilevazioni fotometriche sono estremamente importanti, direi fondamentali, poiché quando sono ripetibili e verificabili, permettono non solo di verificare le prestazioni del TV in esame ma anche di confrontarlo con altri prodotti già testati o che saranno esaminati in futuro. Misure legate alla qualità della strumentazione e dall'esperienza degli operatori, due aspetti chiave della nostra realtà editoriale.


- click per ingrandire -

Tra le tante misure condotte nelle due ore di analisi approfondita, abbiamo rilevato il rapporto di contrasto nativo, quindi dopo aver disattivato la retroilluminazione dinamica a zone, l'estensione del triangolo di gamut e soprattutto il picco di luminanza in funzione dell'area utilizzata, sia con segnali SDR che con quelli HDR10 e soprattutto con bilanciamento del bianco corretto e non con impostazioni estreme che poco hanno a che fare con una qualità di visione accettabile.


- click per ingrandire -

La nostra analisi ha rivelato una qualità del prodotto decisamente elevata, con un firmware che - almeno secondo il produttore - subirà ulteriori affinamenti proprio nei prossimi giorni. Abbiamo rilevato le prestazioni con segnali a gamma dinamica standard e soprattutto con segnali HDR10 e non solo con le principali impostazioni predefinite. Abbiamo avuto anche il tempo per una veloce taratura e per l'analisi del menu di calibrazione che ci ha lasciato così soddisfatti da dover programmare sicuramente più di una guida sulle possibilità di calibrazione di questa nuova serie.

 

Picco di luminanza e contrasto


- click per ingrandire -

Le promesse sul picco di luminanza vengono mantenute e vi anticipo che non è l'aspetto più sorprendente. Il valore di 10.000 NIT è il limite massimo che è stato impostato negli standard televisivi HDR per la riproduzione dei contenuti con gamma dinamica elevata. Fino a poco fa 10.000 NIT sembravano fantascienza, soprattutto considerando la bassa efficienza luminosa di un TV con tecnologia LCD. Ebbene nel TCL 98X11L i 10.000 NIT vengono addirittura superati, anche se di misura e per una manciata di secondi e comunque dopo che il pannello è stato a "riposo" per un tempo sufficiente.


- click per ingrandire -

Molto più interessanti i valori che vengono raggiunti con impostazioni predefinite di qualità elevata, come ad esempio "Cinema" e Filmmaker" e anche con aree dello schermo molto piccole, anche dell'1%, un aspetto che può contare su ben 20.736 zone, con area di una singola zona che vale meno dello 0,005% di quella totale. Si tratta di aree di appena 40.000 pixel che permettono al TV di arrivare fino a livelli di luminanza molto elevati su zone molto piccole e senza troppi rischi di causare aloni. Per una verifica di questo aspetto dovrete aspettare la nostra analisi in ambiente completamente oscurato.


Le misure sono effettuate con Calman Professional di Portrait Displays
- click per ingrandire -

Sempre rimanendo sui valori di luminanza, con segnali HDR ed SDR il picco che viene raggiungo con tutta l'area dello schermo utilizzata è quasi imbarazzante e supera gli 820 NIT. Ancora più sensazionale il picco in HDR con bilanciamento del bianco corretto che supera ampiamente 8.000 NIT già con il 2% dell'area e arriva a superare i 7.500 NIT anche con il 10% dell'area impegnata. Valori di picco molto simili sia con segnali HDR che SDR e dipendenti quasi esclusivamente dalle condizioni di misura. Anche sotto stress, il picco di luminanza con area del 10% non scende comunque al di sotto dei 4.500 NIT.


Le misure sono effettuate con Calman Professional di Portrait Displays
- click per ingrandire -

Il rapporto di contrasto nativo, misurato dopo la calibrazione del bianco e dopo aver disattivato il local dimming, è di 4.896:1. Vi ricordiamo che questi valori valgono per questo esemplare che ha una diagonale di 98" e anche una densità di zone molto elevata. Gli altri due modelli con diagonale da 75" e 85" hanno una densità di zone di retro-illuminazione sensibilmente diversa e potrebbero mostrare picchi di luminanza più contenuti per zone più piccole. Solo un'analisi approfondita sui modelli di produzione che arriveranno ad aprile potrà fornirci le informazioni necessarie per analizzare le eventuali differenze.

 

Colori e triangolo di gamut


- click per ingrandire -

Prima delle verifiche di copertura cromatica con il colorimetro abbiamo eseguito un'analisi dei colori primari e del bianco con uno spettrometro ad alta risoluzione che ci ha permesso di analizzare la distribuzione spettrale per calcolare anche la massima copertura del gamut considerando le dominanti delle singole componenti cromatiche rispetto a quelle di riferimento.


- click per ingrandire -

Lo spettro di emissione dei colori primari è stretto ma non abbastanza per posizionare le coordinate cromatiche sul bordo dello spazio colore. Dei tre colori primari soltanto la componente verde ha una dominante spettrale vicina al riferimento del triangolo di gamut ITU-R BT.2020, ovvero 528 nm invece che 532 nm, quindi la fase della componente verde è sicuramente corretta ed è un'ottima notizia, ma la saturazione ancora non è sufficiente per raggiungere il vertice verde del gamut BT.2020.


- click per ingrandire -

Le altre due componenti rossa e blu hanno invece dominanti di lunghezza d'onda sensibilmente distanti dal riferimento e che valgono rispettivamente 646 nm invece che 630 nm per la componente rossa e 446 nm invece che 467 nm per la componente blu. In altre parole la copertura dello spazio REC BT.2020 sarebbe comunque impossibile, ammesso che fosse importante.


Le misure sono effettuate con Calman Professional di Portrait Displays
- click per ingrandire -

Le misure con il software Calman Ultimate indicano una copertura massima dello spazio colore che è del 91,6% del triangolo di gamut REC BT.2020, dato elevatissimo in assoluto ma comunque ben diverso dal 100% che era stato anticipato a gennaio. Il dato di copertura del triangolo DCI-P3 che, vi ricordo, è quello di riferimento per la quasi totalità dei contenuti disponibili è del 98,3%, quindi eccellente.


Le misure sono effettuate con Calman Professional di Portrait Displays
- click per ingrandire -

Vi segnalo il nostro approfondimento dal titolo: "100% del REC BT.2020 ed oltre? Impossibile e inutile" che è disponibile a questo indirizzo. Molto più interessante la qualità della riproduzione dei colori con segnali HDR10, specialmente dopo la calibrazione, che potete verificare più avanti, nel paragrafo dedicato alle classiche rilevazioni con saturazioni crescenti.

 

Misure con segnali SDR


- click per ingrandire -

Iniziamo l'analisi delle prestazioni con segnali a gamma dinamica standard con le impostazioni predefinite "Standard". In queste condizioni il bilanciamento del bianco è tendente al ciano-blu, i colori sono super-saturi, la rilevazione dei valori del gamma è fortemente limitata dalla modulazione del contrasto e il picco di luminanza vale al massimo 408 NIT. Per essere chiari, con le impostazioni predefinite "Standard" le prestazioni sono mediocri.


- click per ingrandire -

La modalità "Dinamica", verificata solo per curiosità sul massimo picco di luminanza, è davvero terribile. Il picco sale fino al notevole valore di 4.500 NIT ma tutto il resto è pessimo. Come per la modalità standard, la rilevazione dei valori del gamma subisce la modulazione del contrasto e non è attendibile. La riproduzione dei colori è pessima, con errori ancora più elevati rispetto alla modalità "Standard". 


- click per ingrandire -

La modalità predefinita "Filmmaker" è già più convincente. Il picco di luminanza sale fino a 856 NIT, la linearità dei valori del gamma è più che accettabile, con valore medio vicino a 2,3 mentre c'è già un buon equilibrio cromatico generale, con una dominante verde che però non guasta irreparabilmente la riproduzione del colori che si distinguono per un Delta E 2000 medio pari a 3,22 che è sufficiente.


- click per ingrandire -

Le impostazioni predefinite "Cinema" sono praticamente identiche a "Filmmaker", sia per picco di luminanza che per correttezza dei colori. Anche il picco di luminanza è il medesimo. Cambia soltanto la curva del gamma con valori medi più contenuti (la media è di 2,16) e la saturazione dei colori primari e secondari che scende leggermente, pur con un Delta E 2000 che vale 2,78 ma solo per una migliore precisione dei colori più saturi.

Visto il poco tempo a disposizione, abbiamo saltato la calibrazione con segnali video SDR e ci siamo subito impegnati nell'analisi del TV con segnali video HDR10.

 

Misure con segnali HDR10


- click per ingrandire -

Proseguiamo l'analisi delle prestazioni con segnali HDR10 con le impostazioni predefinite "peggiori", iniziando dalla modalità Standard che prosegue idealmente quello che avevamo già visto con segnali a gamma dinamica normale, quindi con bilanciamento del bianco che tende al blu-ciano e picco di luminanza che sfiora le 7.000 candele su metro quadrato.


- click per ingrandire -

La riproduzione dei colori segue pedissequamente la linearità della luminanza e il bilanciamento del bianco, a cui si aggiunge una importante desaturazione limitata alla componente primaria rossa e a quelle complementari gialla e magenta, assieme alle prevedibili alterazione della tinta per tutti i colori tranne la componente primaria blu.


- click per ingrandire -

Prestazioni che peggiorano ulteriormente nella modalità Dinamica, con un aumento di luminanza più evidente su quasi tutta la scala dei grigi, con un picco che scende a 4.380 NIT ma con li livello a metà scala che dai 94 NIT di riferimento passa a ben  682 NIT. Colori sulla stessa linea delle impostazioni standard, pur con qualche ulteriore peggioramento per quanto riguarda la tinta e che evitiamo anche di pubblicare.


- click per ingrandire -

Con la modalità "Filmmaker" si inizia a fare sul serio. Il bilanciamento del bianco migliora decisamente anche se rimane una leggera dominante verde, più evidente sulle alte luci e che avevano già notato con segnali SDR. Il picco di luminanza supera i 4.700 NIT e prosegue come una retta fino al 90% del segnale in ingresso quando inizia un dolce roll-off. La linearità è fin troppo spanciata verso l'alto: tra il 10% e il 35% di intensità del segnale in ingresso, i valori di luminanza valgono il doppio rispetto al riferimento.


- click per ingrandire -

Con la modalità Filmmaker migliora anche la qualità della riproduzione dei colori; una correttezza cromatica che però non convince e che mostra simili problemi di saturazione che affligge la componente rossa e qualche errore di tinta di troppo. Siamo in effetti ancora lontani dalle migliori prestazioni dei TV TCL di questi ultimi anni ed è altamente probabile che nelle prossime settimane un primo aggiornamento firmware potrebbe risolvere buona parte dei problemi.


- click per ingrandire -

La modalità predefinita "Cinema" è molto simile alle prestazioni della modalità Filmmaker, quindi con valori di luminanza quasi raddoppiati almeno fino al 50% di intensità del segnale in ingresso (immagine molto luminosa ma più compressa in dinamica) ma con un tone mapping differente: stavolta non ci si ferma al 90% e al posto del roll-off della modalità Filmmaker si prosegue fino al 100% del segnale in ingresso, sfiorando i 7.000 NIT. La riproduzione dei colori è quasi sovrapponibile a quella della modalità Filmmaker.


- click per ingrandire -

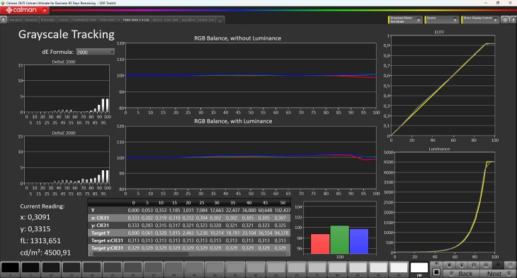
Decidiamo quindi di dare un'occhiata al menù immagine per verificare quale sia il Tone mapping selezionato delle modalità predefinita e se c'è margine per migliorare la proporzione e il picco dei valori di luminanza, bilanciamento del bianco e colori. Iniziamo subito con l'impostazione del bilanciamento del bianco su due punti per correggere la leggera dominante verde, soprattutto sulle alte luci. Notiamo anche che rimane attiva la selezione del gamma che in HDR può sembrare improprio ma che permette di modulare meglio i livelli di luminosità sulle medie luci. In default è impostato su 2.2 e decidiamo quindi di provare il valore 2.4.


- click per ingrandire -

Il risultato è davvero notevole. Ancor più che sono bastati pochi secondi, senza dover intervenire con la calibrazione del bilanciamento del bianco sui 20 punti ma quasi esclusivamente sulle alte luci. Il picco di luminanza arriva a 4.500 NIT e rimane il roll-off al 90% ma ora tutti i livelli di luminanza della scala dei grigi sono ben riprodotti senza esagerazioni e con bilanciamento del bianco decisamente corretto.


- click per ingrandire -

Notevole anche il miglioramento nella riproduzione dei colori, soprattutto nei livelli di saturazione della componente rossa e degli incarnati. In queste condizioni, il Delta E 2000 medio vale appena 1,24 metre l'errore massimo supera di misura le quattro unità. Si tratta di prestazioni eccellenti che possono essere ulteriormente migliorate con una calibrazione fine del CMS oppure con la preparazione di una 3D LUT da integrare poi nel TV.


- click per ingrandire -

Proseguiamo osservando le voci del menù che modulano il tone mapping. Ci sono quattro modalità a disposizione e in alcune modalità predefinite il tone mapping è spento. Le voci alternative disponibili sono tre: "Descrizione dettagliata della priorità", "Equilibrio" e "Priorità luminosità". Selezionando le ultime due, si riesce a sfruttare quasi tutta la riserva di potenza a disposizione e si arriva fino a circa 7.000 NIT, con una piccola incertezza a cavallo tra il 90% e il 95% di intensità del segnale in ingresso.

Ovviamente serviranno test più approfonditi per verificare di nuovo le prestazioni con firmware più aggiornati e sopratuttto un ambiente oscurato per considerare sfumature che in test così rapidi possono sfuggire. Il nuovo TCL 98X11L ha sfoderato una prestazione che mai avremmo immaginato di poter verificare su un TV appena annunciato e che sarà oggetto di ulteriori affinamenti per i prossimi due mesi.

 

Le nostre prime impressioni


- click per ingrandire -

X11L è il televisore più luminoso che abbiamo testato finora. E non serve neanche uno strumento di misura per rendersene conto: basta vederlo in funzione. In gamma dinamica standard si superano agevolmente gli 800 nit a pieno schermo, un valore molto elevato che garantisce prestazioni ottimali in qualsiasi ambiente, anche quelli dove la luce del sole entra abbondante dalle finestre. Fin qui non ci sarebbe però nulla di straordinario: negli ultimi anni il numero di TV LCD capaci di raggiungere questi livelli è cresciuto in modo costante. È con l'HDR che X11L scava un solco netto rispetto alla concorrenza. Gli oltre 8.000 nit misurati - con una taratura rapida, lo ricordiamo - offrono due vantaggi tutt’altro che trascurabili.


- click per ingrandire -

Il primo riguarda il tone mapping, ovvero il processo che adatta i contenuti in HDR alle capacità del pannello. Il nuovo SQD-Mini LED non ne ha praticamente mai bisogno poiché ha una tale riserva di luminanza da poter riprodurre quasi tutti i contenuti 1:1, cioè esattamente come sono stati realizzati all’origine. La conferma si ottiene attivando la mappatura dei toni dinamica, che analizza le immagini in tempo reale per offrire un adattamento più evoluto e visivamente appagante. L’unico adattamento realmente necessario riguarda i rarissimi contenuti masterizzati a 10.000 nit, che sono numericamente ben poco rappresentativi. Il secondo vantaggio è la capacità di rendere l'HDR perfettamente fruibile in qualsiasi ambiente.


- click per ingrandire -

Normalmente si consiglia una visione in penombra o al buio, perché un contenuto in HDR può includere scene molto scure e picchi fino a 4.000 nit. Far convivere entrambi gli estremi in stanze fortemente illuminate non è semplice: se si schiarissero solo le parti scure, si finirebbe col diminuire la dinamica. Agire sulle parti più brillanti non è invece quasi mai possibile, proprio perché i picchi possono essere così alti da oltrepassare il limite raggiunto dal pannello o da arrivarci molto vicino: se il TV opera già al massimo o quasi, è impossibile aumentare ancora la luce emessa. X11L supera questi vincoli grazie all'abbondante surplus di luminanza: si può rimappare la scala verso l’alto, rendendo la visione in HDR perfettamente godibile ogni condizione - fatichiamo a immaginare un ambiente così luminoso da richiedere qualcosa di più.


- click per ingrandire -

Sarà invece interessante effettuare il test opposto: verificare, cioè, se si può scalare altrettanto bene verso il basso, limitando la retroilluminazione intorno ai 1.000 nit per una visione rilassante al buio (è una prova che abbiamo già in cantiere). Sempre restando in tema di ambienti luminosi, segnaliamo che il filtro antiriflesso è sembrato piuttosto efficace: i punti vendita come MediaWorld sono ricchi di luci molto potenti e il TCL è riuscito a contenere molto bene la stragrande maggioranza dei riflessi, come si può notare nelle foto allegate all’articolo. Il pannello WHVA mantiene le promesse: l’angolo di visione è più ampio, circa una decina di gradi in più rispetto agli LCD VA convenzionali.

 

Conclusioni


- click per ingrandire -

Il primo contatto con gli SQD-Mini LED è stato decisamente positivo. Sotto alcuni aspetti siamo andati oltre le aspettative: ci riferiamo in particolare al picco di luminanza e ad alcune scelte nella calibrazione di fabbrica. Superare gli 8.000 NIT è già un traguardo ragguardevole in assoluto, ma diventa ancora più significativo quando la misura si riferisce a una veloce calibrazione in modalità Filmmaker, una delle più accurate. Se poi, in determinate condizioni, si possono raggiungere effettivamente i 10.000 NIT, ci troviamo di fronte a un televisore che oggi non ha eguali sotto questo profilo.


- click per ingrandire -

Gli altri aspetti che ci hanno colpito sono la qualità costruttiva, paragonabile a quella di marchi più blasonati, e il filtro antiriflesso, che ha superato la prova di un centro commerciale, uno dei test più difficili in assoluto. Rimandiamo invece il giudizio sul local dimming: le condizioni del punto vendita non permettono di valutarlo, potremmo azzardare qualche considerazione, ma finiremmo col tirare a indovinare.


- click per ingrandire -

Possiamo però affermare con sicurezza che il contrasto nativo, con local dimming disattivato, è molto buono e che in ambienti luminosi gli aloni praticamente non si vedono, nemmeno da posizioni molto angolate. Per tutto il resto l’appuntamento è con la recensione completa, che realizzeremo non appena saranno disponibili i primi esemplari destinati alla vendita. In quell’occasione valuteremo in modo approfondito tutti gli aspetti che qui abbiamo solo potuto anticipare.

Per maggiori informazioni: tcl.com/global/en/tvs/x11l - tcl.com/it/it