Supertest Valerion VisionMaster Max
Candidato a nuovo riferimento tra i proiettori DLP a tiro medio, promette fino a 3.500 lumen con laser RGB, ottica versatile con diaframma manuale e dinamico, zoom 1,6X e lens shift verticale ben esteso, funzioni smart potenti, tone mapping dinamico eccellente e un dimming del laser associato ad una buona modulazione del gamma...
Introduzione
Valerion è un brand creato da Awol Vision, una società fondata nel 2020 e che, nel giro di due anni, dal 2022 al 2024, si è imposta negli Stati Uniti come principale produttore di laser TV. Il cuore degli Awol è un prodotto Hisense OEM, migliorato sia in alcuni componenti che nel software, il tutto per spuntare prestazioni superiori, sia in termini di flusso luminoso che di correttezza cromatica. Trovate il mio test dell'Awol Vision LTV-3500 Pro a questo indirizzo: in effetti il miglior Laser TV mai testato, fino ad oggi.
Lo scorso anno invece da Awol Vision è partito il progetto di crowdfuding con il marchio Valerion con ben cinque prodotti, non più Laser TV (a tiro cortissimo) ma tutti basati su "meccanica Hisense" a tiro medio, alias Hisense C1 e C2, con rapporto di tiro fisso pari a 1,2:1 e con zoom 1,6X (rapporto di tiro tra 0,9:1 e 1,5:1). Si tratta del progetto di crowdfunding relativo alla videoproiezione più grande mai registrato e cha raccolto più di 10 milioni di dollari; si partiva da 1.199 USD per il modello base per arrivare a 2.199 USD per il modello top di gamma, il modello "Max" oggetto di questo test. Negli importi erano incluse anche le tasse e dazi doganali ma non la spedizione. Trovate tutto a questo indirizzo.
Ho avuto modo di mettere le mani su un esemplare di Valerion VisionMaster Pro 2 nella seconda metà di gennaio, grazie alla disponibilità di un appassionato romano (grazie davvero, Michele) che aveva partecipato al crowdfunding, con il prodotto ricevuto il 21 gennaio scorso; in quell'occasione ho verificato le stesse prestazioni di un Hisense C2 Ultra ma con un tone mapping più efficace, qualità d'immagine generalmente superiore, con ottica leggermente migliore anche rispetto a quella montata dal piccolo Leica e soprattutto tanta, tanta silenziosità. Nessuna differenza invece in termini di rapporto di contrasto e flusso luminoso con Hisense C2 Ultra. Tornerò su questi aspetti più avanti.
Veniamo infine al Valerion VisionMaster Max, un progetto che ha raccolto la maggior parte degli ordini e che è addirittura migliorato nel tempo: le 3.000 persone che hanno pagato 2.199 USD, avevano puntato su un prodotto con alcune caratteristiche già ottime. Qualche tempo fa Valerion - che ha già realizzato e spedito gli altri tre proiettori - per il Max ha cambiato le carte in tavola, ha posticipato le consegne di parecchi mesi ma ha migliorato in maniera drammatica le caratteristiche e la qualità del prodotto, ora con prezzo più che raddoppiato. Tutti quelli che hanno scommesso sul crowdfunding, riceveranno il prodotto aggiornato, leggermente più luminoso (e per sfruttare l'iris è un vantaggio mica da ridere), dal valore più che doppio rispetto a quello che hanno pagato.
SOMMARIO
- Introduzione
- Caratteristiche
- Primo Contatto
- Lumen e CR nativo
- Misure in SDR
- Misure in HDR
- Visione ascolto
- Conclusioni
Caratteristiche
Il progetto dei proiettori DLP a tiro medio di Valerion è semplicemente geniale: hanno preso il telaio del "vecchio" Hisense C1, più grande e con più spazio all'interno rispetto al nuovo C2, l'hanno leggermente modificato e all'interno hanno inserito il cuore della serie C2, quindi una sorgente luminosa trilaser RGB, tecnologia DLP con singolo DMD da 0,47" e vobulazione 4X, SoC Mediatek MT9618, compatibilità Dolby Vision e certificazione IMAX, con differenze tra i quattro modelli che riguardano il flusso luminoso, rapporto di contrasto nativo e alcune caratteristiche dell'obiettivo.
Il modello base è lo StreamMaster Plus che oggi costa 1.399 euro, con 1.650 lumen e ottica fissa con rapporto di tiro di 1,2:1. Segue il modello StreamMaster Plus 2 da 1.899 euro, con 2.000 lumen e stesso obiettivo del modello entry level: per i due modelli Plus, Valerion dichiara un rapporto di contrasto dinamico di 10.000:1 e un rapporto di contrasto nativo di 3.000:1. Poi c'è il modello VisionMaster Pro 2, con 3.000 lumen dichiarati di picco, ottica zoom con rapporto di tiro compreso tra 0,9:1 e 1,5:1 e un passo in avanti nel rapporto di contrasto dinamico che arriva a 15.000:1 mentre quello nativo dichiarato è di 4.000:1. In questo caso ho potuto verificare che Valerion ha mentito sapendo di mentire: il rapporto di contrasto nativo del prodotto che ho misurato a gennaio è in realtà più che dimezzato.
Il VisionMaster Max, oggetto del nostro test, ha un prezzo di 4.990 euro ed è basato sul nuovo motore trilaser che troveremo negli Hisense C3 Ultra mostrati quasi per caso ad IFA 2025 e che arriveranno da noi il prossimo anno, con nuovi diodi laser dalla potenza superiore. L'ottica ha le stesse caratteristiche del modello Pro 2, quindi con zoom 1,6X e tiro compreso tra 0,9:1 e 1,5:1 ma con lens shift verticale del 105%, un diaframma manuale a sette posizioni che può essere anche automatico e possibilità in futuro di sostituire il gruppo ottico con un altro a tiro più lungo o un altro con lente anamorfica. Il Max ha anche un rapporto di contrasto che può arrivare al considerevole valore di 50.000:1, combinando dimming del laser e iris dinamico, mentre quello nativo sale a 5.000:1.
Le parti più critiche secondo me sono tre e riguardano la versatilità dell'ottica, il tipo di sorgente luminosa che sconsiglia l'utilizzo di alcune superfici di proiezione e il rapporto di contrasto reale. L'ottica zoom ha un rapporto di tiro compreso tra 0,9:1 e 1,5:1. Per essere più pratici, ipotizzando di riempire uno schermo da 120" (base di circa 265 cm e area che sfiora i quattro metri quadrati), il proiettore può essere sistemato ad una distanza compresa tra 240 cm e 400 cm, con la prima situazione che replica quella classica con il proiettore su un tavolo basso davanti al divano e la seconda con il proiettore in alto, fissato al soffitto sulle teste degli spettatori oppure su una mensola comunque a ridosso del divano.
L'ottica è intercambiabile e a richiesta verranno fornite in futuro due altre ottiche, una a tiro più lungo, compreso tra 1,5:1 e 2,0:1 e l'altra invece sarà di tipo anamorfico, disponibile presso un produttore terzo in collaborazione con Valerion. Maggiori info sull'ottica anamorfica li trovate nel reportage da IFA nel capitolo dedicato a Valerion, disponibile a questo indirizzo.
I seiproiettori "concorrenti"su una fascia di prezzo simile (street-price compreso tra 4.000 euro dell'Optoma e 6.000 del Sony) offrono rapporti di tiro decisamente più lunghi, ovvero tra 2,1:1 e 1,92:1 per l'Optoma UHZ68LV già analizzato e di imminente pubblicazione, tra 1,34:1 e 2,14:1 per il JVC DLA-NZ500, tra 1,38:1 e 2,21:1 per il Sony XW5100ES, tra 1,52:1 e 2,45:1 per il BenQ W5800,e tra 1,35:1 e 2,84:1 per Epson LS12000 e QB1000 per arrivare, con questi ultimi due proiettori, fino ad una distanza massima quasi doppia rispetto al Valerion. Valerion offre anche un lens shift ma solo verticale, sebbene molto ampio, pari al 105% e rispetto agli altri concorrenti offre una buona versatilità.
Valerion Max 105% V - 0% H motor
Optoma UHZ68LV -106% / +126% V - 10% H manual
Epson EH-LS12000: 96% V - 47% H motor
Sony VPL-XW5100ES: 71% V - 25% H manual
JVC DLA-NZ500: 70% V - 28% H motor
BenQ W5800: 50% V - 21% H motor
Primo Contatto
Sono venuto a conoscenza del Valerion grazie alle numerosissime segnalazioni da parte di un caro amico che ha acquistato il modello Max all'inizio dello scorso anno, partecipando al crowdfunding. Ho poi visionato per pochi minuti un primo prototipo in occasione dell'IFA 2024, allo stand Awol Vision anche se in condizioni non ideali. L'arrivo del Max che ho potuto testare e misurare è stato piuttosto accidentato. Come già anticipato più sopra, il Max era atteso per maggio 2025 ma, come ho già detto, una revisione del progetto ne ha posticipato la effettiva disponibilità di quasi 6 mesi, condizione accettata ben volentieri dai partecipanti al finanziamento collettivo.
L'esemplare che ho potuto testare è arrivato in maniera un po' rocambolesca. Era atteso entro il mese di luglio dalle principali riviste EISA che appartengono al gruppo di esperti "video" per poter ambire ad un Award come miglior proiettore, poi andato all'ottimo Hisense. Alla fine è arrivato ad Agosto, troppo tardi per poter essere analizzato prima delle votazioni. Il Valerion che ho potuto testare è il campione inviato alla testata Digital Video HT che ho letteralmente rapito per alcune settimane, subito dopo un micro-evento privato nella bella sala di Gruppo Garman a Roma dove ero in compagnia di Fulvio Cecconi, Mario Mollo, Andrea Manuti, Gian Luca Di Felice e Nicola D'Agostino che ci ha raggiunti solo nel pomeriggio.
Già in quella occasione avevo apprezzato prestazioni molto buone in default, ma solo con le impostazioni "Cinema" e "Filmmaker", sia con segnali SDR che HDR10. Una volta tornato a Teramo, in laboratorio, ho potuto analizzare con molta più calma il proiettore, con una attenza calibrazione e usando anche tre diverse superfici di proiezione prodotte da Screenline: la vecchia tela Home Vision con gain unitario, la nuova Home Vision con gain più elevato (1,2 quello dichiarato, 1,12 quello che ho misurato) e quella ALR di nome Radiance con gain dichiarato di 0,6. Qui a Teramo ho parecchie possibilità di confronto con parecchi proiettori: JVC DLA-X7900 e JVC DLA-NP5, entrambi a lampada ma con rapporto di contrasto nativo base di circa 30.000:1, BenQ W5800 e BenQ W4100i con sorgente luminosa laser-fosfori oppure LED e rapporto di contrasto di circa 1.200:1 e per finire un Epson EH-LS12000 sempre laser-fosfori con rapporto di contrasto nativo fino a circa 4.000:1.
Lumen e rapporto di contrasto nativo
Ed eccoci arrivati al primo momento della verità. I dati dichiarati parlano molto chiaro: 3.500 lumen massimi (quelli previsti dal progetto originale erano 3.000, gli stessi del Pro 2) e un rapporto di contrasto nativo combinato (quindi con zoom in posizione "tele" e iris chiuso al massimo) pari a 5.000:1. Partiamo dal rapporto di contrasto nativo. Ho sempre avuto poca fiducia per chi dichiarava tali valori di rapporto di contrasto per un proiettore basato su DMD da 0,47" che di rapporto di contrasto nativo parte da un più modesto 1.500:1, ammesso che si riesca ad ottimizzare la sorgente luminosa. C'è da aggiungere che, grazie all'utilizzo di una sorgente luminosa coerente qual è il laser RGB, questo valore può raddoppiare rispetto al 1.500:1 che è relativo alla lampada tradizionale oppure al sistema ibrido laser-fosfori, arrivando magari a 3.000:1.
Poi c'è l'obiettivo zoom che, quando si sfruttano lunghezze focali con rapporti di tiro più estesi, più aumentare in maniera considerevole. Ma non è il caso del Valerion, con un rapporto di tiro massimo di 1,5:1. Nel Valerion Max c'è infine un diaframma meccanico che, opportunamente modulato, può anche questo far salire il rapporto di contrasto nativo. Ma è improbabile andare oltre un raddoppio, anche chiudendo il diaframma al massimo e chissà a quale prezzo: quanti saranno alla fine i lumen rimasti? Ebbene, nelle cifre che seguono trovate tutte le risposte.
Mi permetto solo una precisazione. Ho calcolato il flusso luminoso misurando la illuminanza solo al centro, del resto l'uniformità di questo Valerion Max è eccellente, quindi i valori di Lumen ANSI dovrebbero essere molto vicini. In default ho usato il bilanciamento del bianco Warm 1 più vicino al riferimento. C'è una modalità ad alta luminosità che porta il bilanciamento del bianco drammaticamente verso il verde che non ho considerato. Tutte le misure che seguono sono state effettuate con spettrometro OceanOptics USB2000 con lente di correzione del coseno e fotometro Minolta LS150.
Lumen e rapporto di tiro WARM 1
- Wide: 2.618 lumen
- Mid: 2.456 lumen (-6,2%)
- Tele: 2.312 lumen (-11,7%)
Lumen e rapporto di tiro calibrato
- Wide: 2.414 lumen
- Mid: 2.266 lumen (-6,1%)
- Tele: 2.139 lumen (-11,4%) BIS
Lumen e potenza del laser
- Laser 10 MAX
- Laser 5: -13,1%
- Laser 0: -43,5%
Ebbene, anche nella modalità più luminosa che sono riuscito a impostare, non sono riuscito ad arrivare neanche a 3.000 lumen. Ho già inviato le mie considerazioni a Valerion per capire se è un limite della macchina che ho avuto a disposizione e in quel caso se si tratti di un limite hardware oppure software. Negli States sono state recentemente pubblicate recensioni in cui i 3.500 lumen sono stati effettivamente raggiunti. Forse il firmware caricato in questo esemplare non sfrutta a dovere l'overlapping (il famigerato "brilliant color"). In ogni modo, i quasi 2.300 lumen che ho rilevato, addirittura con overlapping quasi a zero, sono davvero tantissimi, decisamente superiori a macchine di fascia altissima come Sony VPL-XW8100ES e JVC DLA-NZ900.
CR nativo in funzione dell'IRIS con IRIS e lumen
tra parentesi i valori RGB di calibrazione su alte luci
Ottica zoom su rapporto di tiro medio pari a 1,2:1
- IRIS 0 (-2, 0, -2) = CR 1.556:1 = 2.266 lumen
- IRIS 1 (0, -4, -2) = CR 1.804:1 = 2.109 lumen
- IRIS 2 (0, -7, -6) = CR 1.985:1 = 2.004 lumen
- IRIS 3 (0, -12, -13) = CR 2.419:1 = 1.883 lumen
- IRIS 4 (0, -16, -17) = CR 2.658:1 = 1.628 lumen
- IRIS 5 (0, -16, -16) = CR 2.723:1 = 1.668 lumen
- IRIS 6 (-14, -8, 0) = CR 2.661:1 = 1.893 lumen
- IRIS 7 (0, -18, -21) = CR 3.354:1 = 722 lumen
Il rapporto di contrasto nativo reale, misurato con rapporto di tiro medio (1,2:1) invece è circa la metà rispetto a quanto dichiarato. Valori che del resto mi aspettavo e che confermano che neanche Valerion è riuscita nel "miracolo". C'è da aggiungere che quando il Valerion proietta una immagine completamente nera, fa quello che fanno alcuni proiettori, ad esempio alcuni modelli prodotti da Sony: abbassano la potenza del laser, quindi il livello del nero misurato è più basso rispetto a quello reale.
Ebbene, il valore del rapporto di contrasto nativo misurato da qualche buontempone online può anche arrivare ai valori dichiarati da Valerion ma non sono situazioni reali. Diffidate quindi da simili recensioni. Curiosità: selezionando la modalità PC/Game, non c'è dimming del laser, probabilmente per arrivare ai famosi 4ms di lag che in effetti ho potuto verificare. Con zoom in posizione tele i valori potrebbero aumentare fino al 20% mentre in wide potrebbero scendere del 20%. Provvederò alla misura del rapporto di contrasto più esaustiva, anche in funzione dell'APL, nel test definitivo quando sarà disponibile un firmware più avanzato, a partire da novembre.
Differenza CR nativo per rapporto di tiro
(nativo - calibrato)
- Wide = 1292:1 - 1239:1
- Medio = 1626:1 - 1556:1
- Tele = 1799:1 - 1769:1
In senso assoluto, il rapporto di contrasto nativo del Valerion è modesto ed è superato sensibilmente anche dall'Epson EH-LS9000 che però ha un flusso luminoso più basso. L'Epson LS12000, oggi al prezzo suggerito di 4.500 euro, ha un contrasto nativo più che doppio e un flusso luminoso molto simile. Tutti gli altri concorrenti fanno decisamente meglio: l'Epson QB1000 arriva fino a 6.000:1 e sfiora i 2.800 lumen reali, il Sony XW5100ES arriva anche a 8.000:1 (con lunghezze focali superiori, va anche oltre) mentre il JVC gioca su una categoria irraggiungibile e può superare agevolmente valori di 25.000:1, anche senza intervento del diaframma. In senso relativo invece il Valerion Max ha un rapporto di contrasto nativo molto alto perché sensibilmente più elevato rispetto alla stragrande maggioranza dei proeittori DLP, specialmente quelli che condividono la stessa "piattaforma" con DMD da 0,47".
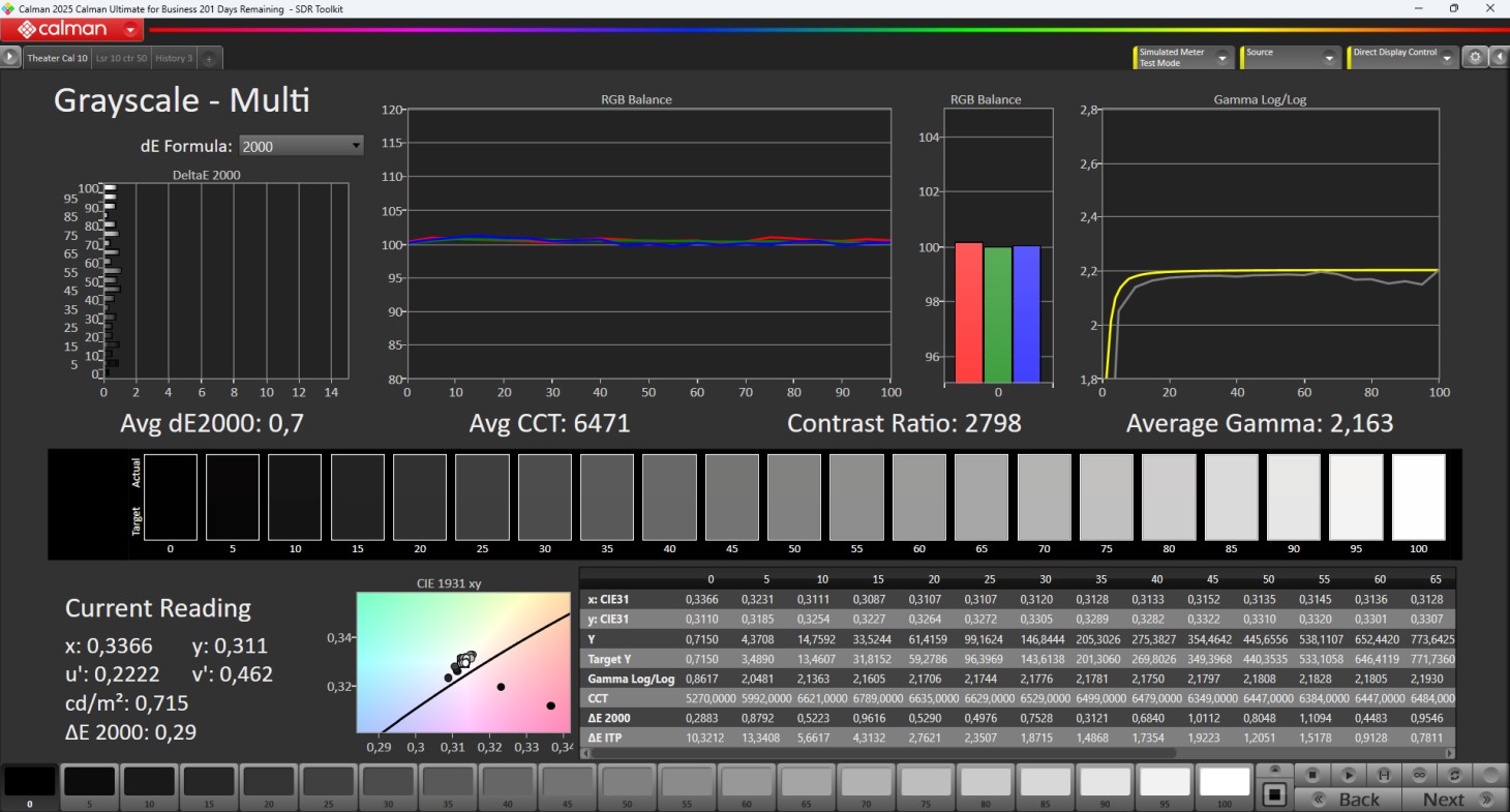
Misure in SDR
come al solito, tutte le misure sono state effettuate con sonda C6 HDR5000 profilata su spettrometro OceanOptics USB2000 ad alta risoluzione (2 nm FWHM), generatore VideoForge Pro e software Calman Ultimate di Portrait Displays. Le misure sul rapporto di contrasto sono state verificate con fotometro Minolta LS150. Nella modalità "Standard" le prestazioni sono mediocri, come nella quasi totalità di videoproiettori e TV sul mercato: bilanciamento del bianco troppo freddo e colori sovra-saturi con forti deviazioni della tinta. L'unica nota positiva - molto positiva - è la linearità del gamma.
La situazione migliora sensibilmente nella modalità "Theater" anche se il bilanciamento del bianco rimane ancora un po' troppo tendente al ciano. Anche la riproduzione dei colori registra sensibili miglioramenti, sia per la saturazione che per la tinta. I valori del gamma rimangono praticamente perfetti.
Nella modalità Filmmaker, la situazione migliora ulteriormente, soprattutto per quanto riguarda il bilanciamento del bianco che è ancora deviato leggermente verso il ciano ma che inizia ad essere accettabile. La riproduzione dei colori è simile a quella della modalità Theater. I valori del gamma invece sono sensibilmente differenti e il risultato è un'immagine più accattivante.
La calibrazione è dannatamente facile e veloce e i controlli sono efficaci e prevedibili. Il risultato è sensazionale non solo dal punto di vista delle misure pure ma anche alla visione. La riproduzione dei colori a varie saturazione e a luminanza costante è particolamente precisa.
Tanto previdsa da meritare un ulteriore approfondimento attraverso la misura delle numerose immagini test del ColorChecker, con tante patch sull'incarnato e con colori a diversa luminanza. Il risultato è più che ottimo con Delta E medio inferiore a 1 ed errore massimo relativo soltanto al rosso saturo al 100% che non ha praticamente effetti nella visione dei contenuti.
Misure in HDR
Le prestazioni con segnali HDR10 sono in parte sovrapponibili a quelle con segnali SDR, quindi con impostazioni predefinite che sono censurabili. Le misure che vedete si riferiscono invece a valle della calibrazione e sono sensazionali per stabilità e coerenza.
Diffidate da chi dichiara una copertura del gamut REC BT.2020 oltre il 100% perché è fisicamente impossibile. L'estensione del gamut BT.2020 misurata del Valerion Max si spinge fino al 97% e non arriva al 100% solo per colpa della frequenza dei laser della componsnte blu. Si tratta del gamut più ampio mai registrato. In DCI-P3 si arriva a sfiorare il 100%.
Ottime notizie anche nella qualità della riproduzione dei colori, sempre dopo la calibrazione. In questo caso si superano anche alcuni mostri sacri della videoproiezione come Sony, JVC, Epson e BenQ. L'unico limite di questo Valerion è legato al rapporto di contrasto nativo e alla saturaizone (bassa) dei colori più saturi alla bassa luminosita: un argomento che prima o posi sarò costretto ad affrontare seriamente su queste stesse pagine.
Installazione e visione
Grazie alla possibilità di modulare la potenza del laser su 11 diversi livelli (da zero a 10) e l'iris su 8 livelli (da zero a 7), la versatilità di installazione del Valerion Max è seconda solo a quella dei proiettori JVC, almeno per quanto riguarda la modulazione della potenza rispetto alla superficie da illuminare. Vi ricordo che l'obiettivo per segnali con gamma dinamica standard è di circa 50 NIT mentre quello per segnali HDR e pari al doppio. Lo schermo da 106" che ho usato per la maggior parte del tempo ha un'area di 3 metri quadrati e ha bisogno rispettivamente di un flusso luminoso di poco meno di 500 lumen per contenuti SDR e 1.000 lumen per quelli in HDR quando la superficie è quella Home Vision e praticamente il doppio quando passo a quella Radiance di tipo ALR che ho dovuto comunque scartare a causa di una esaltazione dell'effetto speckling del laser.
Con schermo Home Vision 1.2 lo "sbrilluccichio" relativo allo speckling è ancora presente ma secondo me accettabile e non fastidioso. Ho giudicato invece l'effetto rainbow quasi totalmente assente, segno che la velocità della sequenza dei colori nella costruzione delle immagini è molto rapida. Ho visionato il Valerion Max soprattutto con zoom in posizione tele, per raggiungere il massimo delle prestazioni in termini di rapporto di contrasto nativo. Sempre in modalità tele, ho chiuso il diaframma a -5. In queste condizioni sono arrivato a sfiorare l'agognato 3.000:1 di rapporto di contrasto nativo, decisamente più del doppio rispetto alla lente in posizione wide con diaframma totalmente aperto.
La qualità dell'obiettivo è buona e la presenza di aberrazioni cromatiche è legata alle scelte in fase in installazione. Ho notato un leggero peggioramento in questo esemplare con zoom in medio-tele e in wide, meno evidente in tele a fondo corsa. La risoluzione è comunque ottima e il test del lanciarazzi viene superato senza problemi. Segnalo solo qualche problema nella gestione del lens shift: il motore sposta l'immagine in senso verticale con step troppo distanti tra loro e trovare la posizione perfetta diventa un problema serio. L'unica soluzione al momento è andare avanti e indietro finché non si trova un buon compromesso per poi giocare "di fino" con i piedini oppure con la staffa nel caso di installazione a soffitto. Un problema, quello della digestione dell'ottica motorizzata, che deve essere risolto.
Con tutte le misure pubblicate, la visione di materiale video con gamma dinamica limitata è stata abbastanza veloce, dopo una rapidissima verifica della discreta qualità del de-interlaccio e scaling di segnali da decoder digitale terrestre, anche di pessima qualità, ovvero quasi tutti i canali Rai e specialmente Rai 3 Abruzzo, con qualità spesso invereconda. Ho dedicato molto più tempo alla visione di materiale da Blu-ray Disc HD che conosco ormai a menadito e con pochissime new-entry, ovvero Oblivion, Lucy, Sicario e Operation U.N.C.L.E. a cui ho aggiunto la il primo episodio della prima stagione di Only Murders in The Building da Disney+, un abbonamento che stavo per eliminare dopo lo stop per lo show di Jimmy Kimmel, fortunatamente ripristinato. Per l'analisi della riproduzione di materiale HD ho selezionato prima di tutto la modalità PC/Gaming dopo aver modificato alcune voci del menù per copiare la modalità Cinema ma senza laser dimming, poi Filmmaker infine Cinema, quest'ultima usata anche come base per la calibrazione manuale. La riproduzione di materiale HD è ottima e i limiti - piuttosto evidenti - del rapporto di contrasto vengono fuori solo quando ci sono scene molto scure, come l'interrogatorio in Oblivion.

L'infografica dell'EBL dal sito valerion.com è davvero ottima e anche onesta,
poiché mostra chiaramente anche la compressione dinamica sulle alte luci.
- click per ingrandire -
Sono tre le possibilità per aumentare il rapporto di contrasto: attivare il famigerato EBL (dimming del flusso luminoso e conseguente modulazione dinamica del gamma), oppure il diaframma automatico oppure ancora combinare questi due sistemi. Il sistema di EBL funziona dannatamente bene e dona una profondità alle immagini che in alcuni casi supera anche la tridimensionalità di un proiettore come l'Epson LS12000 che parte da un rapporto di contrasto nativo più che doppio rispetto al Valerion. Il problema dell'EBL di Valerion è la velocità; passando da scene chiare a scene scure non ci sono problemi, il flusso luminoso si abbassa con la velocità giusta e la modulazione del gamma è davvero ben fatta, in modo da restituire un'ottima tridimensionalità e visibilità dei particolari sulle basse luci. Il passaggio alle scene più luminose è invece ancora troppo lento e il rischio di schiacciare troppi particolari sulle alte luci è sempre in agguato. Non succede sempre ma quando accade per me è insopportabile. Così insopportabile da scegliere di disattivarlo.
Il sistema dovrebbe migliorare anche perché quello di Epson, tanto per citarne uno che è sulla breccia da molto più tempo, è molto più veloce. Sono in attesa di aggiornamenti e completerò il test di questo proiettore tra qualche settimana, non appena saranno disponibili i primi modelli di proiezione, si spera con un firmware che corregga alcuni limiti che ho segnalato con precisione a "chi di dovere". Con il sistema EBL "rimandato a ottobre" ho attivato il diaframma automatico, un sistema che a me non è mai piaciuto per un semplice motivo: con le immagini molto luminose il flusso luminoso rischia di essere troppo elevato e vice-versa troppo contenuto con le scene più scure. L'iris dinamico del Valerion invece non è niente male anche se manca la possibilità di selezionare i limiti entro i quali modulare l'apertura, un po' come accadeva tempo fa in alcuni proiettori Sony. In ogni modo il sistema è un buon palliativo per avere scene scure più digeribili e senza il "pompaggio" sulle alte luci che accade con EBL attivato. Attenderò una versione di firmware più aggiornata per verificare anche la combinazione di iris ed EBL.
Con la consapevolezza di dover attendere un firmware con EBL più efficace, ho dedicato sicuramente meno tempo del previsto alla visione di materiale con gamma dinamica estesa, privilegiando i "classici" come Oblivion, Lucy, Sicario, 007, Aquaman, The Meg, alcuni contenuti in streaming di qualità da Apple TV+ come Ted Lasso e Fondazione, con l'inclusione di alcune novità di animazione come Trolls 2 da Netflix - nonostante l'anacronistico bitrate - per sfruttare a dovere l'estensione del gamut ai confini del REC BT.2020, soprattutto sul vertice della componente verde. Il prodotto è sicuramente valido e il Tone mapping generale ha sicuramente una marcia in più rispetto al prodotto Hisense da cui deriva, soprattutto per quanto riguarda tutto quello che c'è nelle basse luci. Sulle alte luci invece c'è qualcosa da migliorare.
Per quanto riguarda EBL e diaframma automatico valgono esattamente le stesse considerazioni già espresse nella visione di materiale con gamma dinamica compressa. In particolare l'EBL ha notevoli potenzialità anche se il "miracolo" è ancora a distanza siderale: un veloce confronto con il JVC DLA-NP5 entrambi (JVC e Valerion) tarati al meglio delle mie possibilità e uniformando alla perfezione il flusso luminoso, non lascia spazio a interpretazioni: quelli che online hanno dichiarato che preferiscono il Valerion al JVC andrebbero lasciati in ginocchio sui ceci per settimane, davanti ad una comparativa seria. Quello che mi ha sorpreso di più è l'ottimo lavoro di Valerion sui colori, precisi e mai fuori posto, anche negli incarnati e nelle tinte più critiche. Solo a bassa luminanza la saturazione sfugge di mano ma in quel caso la colpa è del rapporto di contrasto che non regge il passo. Molto buona anche la ricchezza di sfumature: non sono riuscito a cogliere in fallo il Valerion neanche con le trappole migliori e problemi di colori bending (chiamatele solarizzazioni o come vi pare) non le ho rilevate.
Conclusioni
Probabilmente questa è la prima volta che mi capita di pubblicare un test del genere, sicuramente approfondito per quanto riguarda l'analisi di buona parte delle prestazioni "ottiche" ma subordinato ad un necessario approfondimento, ovvero quando sarà disponibile un firmware amcora più maturo, soprattutto per una gestione più rapida ed efficace dell'algoritmo che Valerion chiama EBL: il sistema che sovrintende alla modulazione della potenza luminosa e della curva del gamma, per esaltare il rapporto di contrasto percepito con immagini più scure.
Sia ben chiaro: il sistema EBL esiste in molti altri proiettori sotto altri nomi e da tanti anni, ad iniziare da Epson nei suoi proiettori serie "TW" e, più recentemente, in quelli laser serie "EH". Al di là dell'EBL, il Valerion Max è sicuramente un ottimo proiettore DLP, con caratteristiche interessanti e in parte esclusive, come il lens shift verticale del 105% e il diaframma meccanico e dinamico. È anche molto luminoso in senso assoluto, anche se quei 3.500 lumen che promette il costruttore sembrano fin troppo lontani, come in molti altri prodotti. Gli unici limiti sono soltanto relativi e riconducibili alle tecnologie utilizzate, quindi rapporto di contrasto nativo e speckling su alcune superfici di proiezione.
Tutto il resto va dannatamente bene, ad iniziare dalle prestazioni in default, le ottime possibilità di calibrazione e la precisione nella riproduzione dei colori, alla pari dei migliori. Il rovescio della medaglia è un prezzo che a molti sembra eccessivo, perché si scontra direttamente con cinque mostri sacri che presidiano proprio quella fascia di prezzo a cavallo dei 5.000 euro e con nomi che incutono rispetto,.ovvero BenQ, Epson, JVC, Optoma e Sony. L'ottima notizia è che il Valerion sarà disponibile in Italia attraverso il distributore Aqipa e in esclusiva presso Audio Quality e con cui collaboriamo da anni. Fino al 2 novembre, giorno del lancio del Valerion Max, il prezzo è fissato in 4.390 euro IVA inclusa.
Sono quindi molto fiducioso: nell'immediato futuro non mancherà occasione di vedere all'opera il Valerion Max, magari con un nuovo firmware e soprattutto al confronto con uno o più riferimenti del settore, sicuramente presso il punto vendita Audio Quality. Continuate a seguirci se ne volete sapere di più. Nell'attesa approfitto per ringraziare Mario Mollo e Audio Review per avermi concesso il loro campione di Valerion Max per il tempo necessario per effettuare questo test.
SOMMARIO
- Introduzione
- Caratteristiche
- Lumen e rapporto di contrasto
- Misure in SDR
- Misure in HDR
- Visione ascolto
- Conclusioni
Similar Post You May Like
-
IFA 2025: tutte le novità tra TV, mobile e proiettori
A tre settimane dall'IFA, una delle più antiche fiere dell'elettronica di consumo, in questo... »
-
Mini-proiettore TopTro X7: 160 euro ben spesi?
Celebriamo il ritorno su AV Magazine del "Magister" Andrea Manuti con una piccola sfida, il... »
-
Proiettore portatile laser BenQ GV50
Dotato di batteria integrata e capace di generare fino a 500 lumen, il piccolo proiettore DLP... »
-
First look Sony Bravia Projector 7 alias XW5100ES
In occasione di un primo contatto nella bella sala di Gruppo Garman a Roma, ecco le prime... »
-
Confronto JVC DLA-NZ500, NZ700, NZ800 ed NZ900
Un articolo propedeutico ai prossimi shoot-out in cui sarà possibile confrontare dal vivo... »
-
Rapporto di contrasto di JVC DLA-NZ500, NZ700 ed NZ800
Finalmente sono riuscito a condurre una prima analisi sul rapporto di contrasto nativo dei... »
-
Shoot-out TV e proiettori prima tappa: Milano
Con la prima tappa a Milano dello scorso week-end è iniziato il roadhow di AV Magazine che... »
-
JVC DLA-NZ500 ed NZ700: first look e prime considerazioni
Resoconto della presentazione dei nuovi videoproiettori JVC DLA-NZ500 e DLA-NZ700, annunciati... »
-
Test LG CineBeam Q HU710PB trilaser
Il piccolo proiettore di LG, basato su DMD XPR da 0,47" e risoluzione effettiva UHD 4K è dotato... »
Commenti (28)
-
21 Ottobre 2025, 21:54
Supertest Valerion VisionMaster Max
Ottima desamina, due domande: si tratta di un esemplare pre serie o definitivo? Che firmware aveva installato? -
22 Ottobre 2025, 12:55
Supertest Valerion VisionMaster Max
Ottima analisi, complimenti per il test.
Faccio pure io una domanda :
Avendo io un alr del tutto simile al radiance 0.6, che devo fare, rinunciare definitivamente al triplo laser, ? Cambiare schermo ?
Sta cosa mi manda veramente in crisi.... -
22 Ottobre 2025, 13:15
Supertest Valerion VisionMaster MaxOriginariamente inviato da: Franco Rossi, post: 5314211, member: 145559Difficile rispondere in maniera precisa alla prima domanda: il prodotto è arrivato i primi di agosto. Visto che la produzione è iniziata a ottobre e i prodotti arriveranno a novembre, potremmo definirlo sicuramente un pre-serie. Firmware ancora beta. Ecco perché ci sarà un approfondimento con il prodotto definitivo che arriverà da Audio Quality a breve e con un firmware più maturo.si tratta di un esemplare pre serie o definitivo? Che firmware aveva installato?
Ho anche evitato di elencare tutti i bachi che ho trovato poiché quello che analizzerò prossimamente dovrebbe risolvere praticamente tutti i problemi che ho rilevato. Ne cito soltanto uno che mi ha particolarmente infastidito: il lens shift motorizzato è particolamente difficile da gestire perché gli step sono davvero troppo ampi e ogni volta che si alza o si abbassa l'ottica i salti sono troppo grandi e per trovare la quadra alla fine ho dovuto usare i piedini... -
22 Ottobre 2025, 13:18
Supertest Valerion VisionMaster MaxOriginariamente inviato da: alecs85, post: 5314224, member: 99622Ci sono dei laser RGB con speckle davvero ridotto. Non è il caso del Valerion. Comunque prima di fasciarsi la testa consiglio di fare una verifica visiva in uno degli eventi che ci saranno sicuramente e di cui vi daremo notizia a partire dal prossimo novembre, anche presso altri punti vendita che eventualmente collaboreranno con Audio Quality.... rinunciare definitivamente al triplo laser, ? Cambiare schermo ? -
22 Ottobre 2025, 14:43
Supertest Valerion VisionMaster Max
Sono curioso di leggere i risultati dell'esemplare definitivo che testerai da Audio Quality, poiché i numeri che girano sui forum esteri per quanto riguarda contrasto e lumens, sono molto migliori di quelli rilevati nella tua prova, ed onestamente mi sembra poco probabile che il firmware possa influenzare valori come il contrasto nativo che dipende dal tipo di matrice e dall'ottica che sono componenti hardware. -
22 Ottobre 2025, 14:50
Supertest Valerion VisionMaster MaxOriginariamente inviato da: Emidio Frattaroli, post: 5314229, member: 1Ci sono dei laser RGB con speckle davvero ridotto. Non è il caso del Valerion. Comunque prima di fasciarsi la testa consiglio di fare una verifica visiva in uno degli eventi che ci saranno sicuramente e di cui vi daremo notizia a partire dal prossimo novembre, anche presso altri punti vendita che eventualmente collaboreranno con Audio Quality.
Grazie mille. -
22 Ottobre 2025, 18:27
Supertest Valerion VisionMaster MaxOriginariamente inviato da: Franco Rossi, post: 5314235, member: 145559Sono curioso di leggere i risultati dell'esemplare definitivo che testerai da Audio Quality, poiché i numeri che girano sui forum esteri per quanto riguarda contrasto e lumens, sono molto migliori di quelli rilevati nella tua prova, ed onestamente mi sembra poco probabile che il firmware possa influenzare valori come il contrasto nativo che dipend..........[CUT]
Il firmware non so, ma la posizione del proiettore si.
Se avesse misurato il contrasto in posizione tele, con iris 6 si ottiene circa 4000:1 con 1400 lumen calibrati che si avvicinano ai 5000:1 che dichiara Valerion (e non 7000:1 come c'è scritto nella recensione).
Quello che non capisco è quando parla dell'iride dinamica: Il Max al momento non c'è l'ha e non l'ha mai avuta.
E' pubblicizzata ma dovrebbero (forse) attivarla con un firmware futuro. -
22 Ottobre 2025, 19:41
Supertest Valerion VisionMaster Max
Si la posizione del proiettore conta, piu ci si allontana dallo schermo piu sale il contrasto e scendono i lumen, questo ovviamente entro i limiti del tiro dell'ottica (che comprende il fattore di zoom) e le dimensioni dello schermo. Forse chiudendo al massimo l'iris e sfruttando fino al limite lo zoom in Tele a 4000:1 ci arriva. Sicuramente un mezzo miracolo per un DLP con DMD da 0,47" visto che i concorrenti che utilizzano questo DMD nella maggior parte dei casi non arrivano nemmeno a 1500:1. Tuttavia ancora troppo poco per poter entrare a competere con gli Lcos Sony, che fanno tranquillamente il doppio senza dover essere portati ai limiti di iris e zoom, per non parlare dei JVC che nelle condizioni peggiori fanno almeno 20.000:1. Diciamo che Valerion ha fatto il meglio che poteva per tirare fuori il massimo delle prestazioni da quel DMD, il punto è che i valori di partenza di nero e contrasto di quel DMD sono troppo lontani dalle matrici riflessive.
P.S. Quello che trovo errato nel Valerion Max è il prezzo troppo alto, anche con lo sconto attuale, che lo porta in competizione con proiettori che hanno prestazioni superiori, per me al massimo dovrebbe costare 2500 euro di listino. Ovvero 2200 euro, che sarebbe il prezzo che l'hanno pagato quelli che hanno partecipato al crowdfunding (anzi loro l'hanno pagato anche meno perche erano 2199$ che sono poco piu di 2000€ oggi). -
22 Ottobre 2025, 19:57
Supertest Valerion VisionMaster Max
Il contrasto ANSI dovrebbe attestarsi su valori elevati....almeno così avevo letto in altri lidi...Emidio tu l'hai misurato ?
""""a cui ho aggiunto il primo episodio della prima stagione di Only Murders in The Building da Disney+, un abbonamento che stavo per eliminare dopo lo stop per lo show di Jimmy Kimmel, fortunatamente ripristinato.""""
Rileggendo una seconda volta la review mi sono accorto di quanto scritto sopra.
Respect !!!! -
23 Ottobre 2025, 06:25
Supertest Valerion VisionMaster MaxOriginariamente inviato da: papazli, post: 5314250, member: 1953Valerion sta cambiando i dati dichiarati, man mano che escono le recensioni che sbugiardano le caratteristiche dichiarate. prima il CR nativo dichiarato era di 7.000:1. Ora vedo che sono scesi a 5.000:1 ma io non sono andato oltre il valore di circa 3900:1 in tele e con diaframma chiuso. Ma di che stiamo parlando? 1.400 lumen (ammesso che siano davvero così "tanti") per avere 3.900:1? Un Epson QB1000 ha un CR nativo che in tele vale il 50% in più del Valerion Max....Se avesse misurato il contrasto in posizione tele, con iris 6 si ottiene circa 4000:1 con 1400 lumen calibrati che si avvicinano ai 5000:1 che dichiara Valerion (e non 7000:1 come c'è scritto nella recensione)...[CUT]
Per la cronaca ho misurato i valori di CR nativo in funzione del rapporto di tiro. Rispetto ai valori che ho misurato con tiro medio, in tele il valore aumenta del 15%. Basta fare una proporzione. Non mi sembra così difficile. In ogni modo aspetterei il modello definitivo con un firmware definitivo. E sì, i valori di lumen e CR nativo possono cambiare anche con il firmware. Se non capite perché, pazienza.
L'iris nel Valerion Max che ho testato è disponibile anche in modalità dinamica ma con i limiti che ho indicato. Non mi stupirei se togliessero questa possibilità una volta che si fossero arresi nel trovare la quadra.




























