Test: B&W 804 D3
Nuova serie di diffusori del costruttore inglese e nuovo e succoso test per i nostri amici audiofili: in apparenza simile al vecchio modello, le nuove 804 si giovano, tra l’altro, di un nuovo corso intrapreso dai progettisti inglesi, volto a massimizzare la resa in ambiente anche a discapito di qualche misura non proprio rettilinea
Crossover, benchmark e pagella
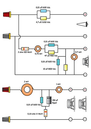
Il filtro crossover della 804 D3 è simile a quello proposto da qualche anno dal costruttore: un condensatore di caratteristiche incredibili sul tweeter e un terzo ordine sui woofer, appena smorzato da una piccola resistenza verso massa. Il passa banda del midrange, dopo due ohm di “pregiatissima” attenuazione, vede i componenti del passa alto e del passa basso incrociati, per meglio gestire lo smorzamento. Tutti i condensatori sono Mundorf di livello estremamente elevato e con tensioni di rottura incredibilmente alte. I piccoli condensatori azzurri sono dei bypass da 10 nanoFarad sulla cui efficacia, di fronte a tanta qualità, non saprei dire. L’incrocio tra i due woofer ed il midrange è stato scelto ad una frequenza relativamente elevata, a circa 400 Hz, una caratteristica che si evidenzia bene anche nella risposta al gradino.

Come possiamo vedere dalla risposta acustica dei componenti sembrerebbe che in effetti l’incrocio sia ad oltre 450 Hz. Va notato comunque che la fase acustica tra i woofer ed il midrange in questo punto vale ben 80°.
La seduta di ascolto viene condotta dal mio collega ed amico Marco Cicogna, ritenendo io troppo breve e densa di variabili non conosciute quella effettuata a Monaco pur in una saletta discretamente realizzata. L’unica cosa per me certa è la qualità del soundstage e la prestazione di una gamma media e medioalta che ha pochi rivali nella produzione di diffusori che fin qui ho testato nella mia carriera. Il tweeter riesce a suonare bene sia con elettroniche allo stato solido non particolarmente aspre che con uno stadio a valvole di discreta potenza, specialmente in ambienti non grandi.
Benchmark B&W 804 D3 (totale = 19,36)
| Facilità pilotaggio | ![]() |
4,35 |
| Sens. e regolarità | ![]() |
6,17 |
| Linearità dinamica | ![]() |
8,84 |
La pagella secondo Gian Piero Matarazzo (media 7,50)
| Costruzione | ![]() |
9,0 |
| Altoparlanti | ![]() |
8,0 |
| Versatilità | ![]() |
7,0 |
| Ascolto | ![]() |
8,5 |
| Rapporto Q/P | ![]() |
5,0 |









