• Sabato 14 febbraio da Audio Quality partirà un roadshow che porterà il nuovo proiettore DLP 4K trilaser Valerion VisionMaster Max in giro per l'Italia e che toccherà Roma, Genova, Milano, Napoli, Padova e Udinee forse anche Bari e Torino. Maggiori info a questo indirizzo

Invertire fase audio con TL074CN

Wolly

New member
Messaggi
75
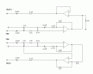
Ciao, non so se è corretto dire "inversione fase audio", ma ho bisogno di farlo per un amplificatore collegato a ponte o bridge. Guardando su internet e un'altro amplificatore che ho in casa, ho visto che utilizza un TL074CN per invertire il segnale da mandare alla sezione di amplificazione, con calma mi sono fatto lo schema e mi sono fatto un circuito a parte di prova, però non funziona.

Vi metto lo schema elettrico, l'hò ricontrollato molte volte ed è giusto cosi, non ci sono errori, perché non funziona ?
Se io collego un woofer all'uscita OUT+ OUT- dovrebbe suonare, vero ? non fa nulla.
Alimentazione +30V -30V ricavati dall'ampli.

Cosi ad occhio, dovrebbe funzionare ?
Grazie

tl074.gif
 
Ciao, come sei messo con l' elettronica? Perchè se non ho sbagliato a capire la tua spiegazione: hai realizzato quel circuito con TL074 e lo hai alimentato a +- 30V e poi ci hai attaccato un woofer? Comunque il TL074 lavora al massimo con +-18V e comunque è un integrato da utilizzare con i segnali non all' amplificazione di potenza.
 
Così come è disegnato il circuito non funzionerà mai poichè si compone in pratica di due parti, la prima costituita dai due operazionali di ingresso (il secondo e terzo partendo dall'alto) in modalità non invertente con un guadagno teoricoper ogni ramo leggermente di 7,6, che però hanno le uscite collegate tra loro ???? e da nessuna altra parte e da un doppio buffer di uscita a guadagno unitario con un ramo invertente (quelli del primo e quarto operazionale) che hanno i due ingressi collegati tra loro ???? e da nessuna altra parte.

Devi elimnare il collegamento tra le due uscite dei due operazionali di ingresso ed eliminare pure il collegamento tra i due ingressi degli operazionali di uscita, fatto questo devi collegare una uscita dell'opamp di un ingresso all'ingresso di un opamp di uscita, idem con l'altra uscita ed ingresso rimasti liberi.

Ossia devi avere due rami indipendeti tra loro.

Dimenticavo: l'ingresso di tutto il circuito deve essere unico per i due operazionali, ovvero devi collegare tra loro i due ingressi IN+.

In questo modo il segnale che arriva viene diviso in due parti, leggermente attenuato dal partitore resistivo di ingresso, poi amplficato di 7,6 volte e le due uiscite, indipendenti, vanno ai due buffer di uscita, uno non invertente ed uno invertente, quidi alle due uscite si avrà un segnale uguale ma invertito di fase.

Rimane valido l'avvertimento circa le tensioni di alimentazione.

La stessa funzione può essere realizzata anche con altri circuiti, con meno componenti attivi, al limite si può usare un solo operazionale in configurazione invertente e guadagno unitario con i due segnali di uscita prelevati all'ingresso ed all'uscita dellopamp, al lmite preceduto da uno stadio amplificatore/separatore.

Ciao
 
Si a parte che fra i 2 buffer di uscita solo il non invertente ha guadagno unitario. Comunque ad esempio usando un drv134 il circuito si riduce al solo operazionale.
 
Scusa, Kabuby, ma entrambi i due opamp di uscita hanno guadagno unitario, quello in alto, non invertente, perchè è collegato in tipologia voltage follower (senza alcuna resistenza) ma anche quello in basso, invertente, poichè il guadagno di questo tipo di configurazione è dato dal rapporto tra le due resistenze in questo caso uguali (10 KOhm) pertanto con rapporto uguale a 1.

Nel caso di configurazione non invertente, ma con la presenza delle due resistenze, allora il guadagno sarebbe uguale al rapporto delle resistenze, ma aumentato di 1.

http://it.wikipedia.org/wiki/Amplificatore_operazionale

Se ho ricavato bene lo schema.

Ciao
 
Come avevo scritto nel mio primo intervento, ma si può benissimo ridurre ancora un pelino, togliere qualche resistenza, invece di fare due linee separate si possono mettere in cascata i due opamp, il primo usato come sommatore dei due segnali in ingresso ed eventuale amplficatore di livello ed il secondo come inverter, prelevando i due segnali prima e dopo quest'ultimo.

Si può arrivare al punto di usare un solo opamp od anche solo uno o due transistor, ma non è il caso di essere tirchi. :D

Si può anche modificare il tutto per usare una alimentazione non simmetrica in modo da semplificare l'alimentatore.

Ciao
 
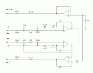
Eccomi, scusate ma ho fatto un errore madornale nello schema, che Nordata ha evidenziato.
Ora vi metto quello giusto, ovvio che cosi non funzionerà mai, è che li c'era un potenziometro, l'hò tolto per non farvi confusione e ho sbagliato a tirare le linee col programma.

Vi dico che funziona, il mio errore era quello di testarlo in OUT con un piccolo woofer, pensavo di sentire l'audio, invece alzavo troppo il segnale di ingresso, proprio perché non sentivo nulla , e questo distorceva, facendo pensare ad un malfunzionamento.
Io ho le basi di elettronica, non sono esperto, pensavo che gli operazionali messi cosi amplificassero il segnale in ingresso che già sentivo con un woofer, pazienza dai.

Sicuramente c'è di meglio, si può fare anche di meglio, ma l'hò ricopiato da un'altro amplificatore uguale e sembrerebbe tutto ok
Anch'io avevo letto nel datasheet un voltaggio più basso, ma lo prelevo proprio dalla scheda dove era alloggiato prima, per sfizio, sono andato a misurare la tensione anche nell'altro ampli funzionante, e ci sono 30V, non saprei che dirvi.

Ora mi rimane un dubbio che non so come verificare, ho fatto delle prove con un test audio, e la modalità stereo funziona, collegandolo a ponte che è come servirebbe a me, funziona, ma come faccio ad essere sicuro che il segnale audio sia invertito ?
C'è modo di verificare con un tester la polarità all'uscita dell'amplificatore ?

tl074.gif
 
Lo schema ora sembrerebbe a posto, se lo hai seguito senza commettere errori dovrebbe funzionare regolarmente.

Ovviamente devi collegare le due uscite a due ampli uguali, collegando poi il diffusore alle uscite altoparlanti, tra le due uscite segnate con + (ossia alle due boccole rosse, un per ogni ampli).
C'è modo di verificare con un tester la polarità all'uscita dell'amplificatore ?
Assolutamente no, l'unico modo per vedere la forma d'onda in uscita è quella di collegarci un oscilloscopio così da poter vedere anche eventuali distorsioni

Si potrebbe anche collegare in uscita, al posto dell'altoparlante, un carico fittizio (anche per la verifica descritta prima sarebbe necessario un tale carico), ossia una resistenza da 8 Ohm (troverai quelle da 8,2 per questo uso va bene ugualmente) e misurando la tensione ai capi della stessa pilotando l'ingresso con un segnale sinusoidale.

Dal valore in tensione che ottieni, tramite la Legge di Ohm, ricavi la potenza e ti fai una idea se tutto funziona (però non vedi cosa stai effettivamente misurando, potrebbe anche essere tutto distorto o con rumore.

Ciao
 
Se hai uno smartphone puoi usare uno dei programmi che simulano gli oscilloscopi tipo: oscilloscope(per android) o altri per Iphone.
Chiaramente non stiamo parlando di strumenti di misura reali ma per fare quello che ti serve vanno bene.
Esempio: usi 2 smartphone android. Con il primo (soundform per Android) immetti il segnale sinusoidale sull'ingresso. Con il secondo rilevi le onde di uscita sui due operazionali. Il tutto usando come uscita ed entrata microfonica il jiack per le cuffie. ti basta farti un cavetto apposito. lo schema lo trovi sulla rete.
 
Per poter vedere se la fase in uscita dai due integrati è sfasata di 180° serve un oscilloscopio a 2 tracce così che sullo schermo sia possibile visualizzare contemporameamente le due onde e si può pertanto vedere la fase reciproca.

Stessa cosa se si collega una traccia all'ingresso e l'altra alternativamente alle due uscite, anche in questo caso si potrà vedere la fase relativa.

Se si collega un oscilloscopio o surrogato qualsiasi ad una sola uscita si vedrà una sinusoide e basta, ma non si avranno riferimenti circa la fase.

Si può avere una informazione utile anche misurando le ampiezze in uscita dai singoli canali e poi collegando lo strumento di misura (voltmetro od oscilloscopio) a ponte sulle due uscite (come dovrà essere collegato poi l'altoparlante), si dovrebbe ottenere un valore maggiore (teoricamente il doppio).

In questo mdo si ha la certezza che il circuito funziona, con l'oscilloscopio si ha anche la certezza che non ci siano proboemi.

Ciao
 
Se lamisura viene effettuate all'uscita degli amplificatori finali certo, deve essere attenuata con un partitore resistivo. Però, per verificare il funzionamneto del circuito basta fare la misura all'uscita degli operazionali. Se il segnale è buono lì, non c'è nessuna ragione per cui non debba essere buono all'uscita dei finali.
 
Ciao, riuppo il thread perché ho un problema con l'amplificatore da dove ho copiato il pre con l'invertitore di fase in questione.
Quello che ho fatto funziona bene e l'hò già montato, mentre su questo ampli ho sostituito i transistor di alimentazione e i finali di potenza, adesso funziona e suona bene, mentre un canale distorce se alzo sulle alte frequenze e quando spengo dopo due secondi "gracchia" si sente una scarica sui woofer.

Cosa ho fatto ? Ho staccato la parte pre da quella di amplificazione e con delle prove senza segnale non si sente più la scarica quando spengo, li ho poi ricollegati ma invertendo i canali e si sente la scarica sull'altro canale, quindi posso dedurre che il problema sta nella parte di preamplificazione ? giusto ?
Altro sfizio che mi sono tolto, ho collegato la sorgente direttamente all'amplificazione e suona bene senza problemi.

Questa scarica può essere un condensatore ?
Ho provato a invertire tutti i condensatori elettrolitici e anche il ceramico ma niente, si sente sempre dallo stesso canale.
Possibile che sia una resistenza o il TL074 stesso ?
O sto guardando nella parte sbagliata ?

Avete qualche consiglio ?
Grazie

tl074.gif
 
Top