AV Magazine - Logo
Stampa
Test: Subwoofer XTZ SUB 10.17 e 12.17
Test: Subwoofer XTZ SUB 10.17 e 12.17
G.P. Matarazzo - 02 Maggio 2016
“Ecco due subwoofer: il primo con woofer da dieci pollici e l'altro, pił grande, che utilizza un woofer da dodici pollici. Sono entrambi abbastanza strani, sono accordati in un sistema altrettanto atipico ma estremamente versatile. Due subwoofer che funzionano davvero bene. Il prezzo? Basso molto interessante. ”
Pagina 1 - Introduzione e caratteristiche


Da sinistra, Cinema SUB 12x3, SUB 12.17 e SUB 10.17
 - click per ingrandire -

XTZ è un marcho svedese che produce una serie abbastanza nutrita di diffusori, elettroniche di potenza e subwoofer per uso professionale. Impressionante appare sul sito www.xtz.se il Cinema sub 3x12, dotato di ben tre woofer da 12 pollici sistemati l’uno sull’altro ed amplificati internamente con "appena" 2.700 Watt in classe D! A leggere le caratteristiche dichiarate mi son detto che il prezzo di 2.095,00 Euro deve essere sbagliato…. Mentre un giro rapido per i siti mi ha confermato che è esatto. Giusto per chiarire le "intenzioni" di questo costruttore.

Il fondatore, Olle Eliasson, vanta una grande esperienza nella progettazione di altoparlanti e di diffusori acustici; si avvale della collaborazione di tecnici specialisti sparsi un po’ per il mondo, così da poter usare per ogni parte dei diffusori il massimo disponibile della tecnica e della produzione. La XTZ ha adottato una politica di vendita che potremmo definire unica nel settore, almeno tra quei costruttori che hanno ampiamente superato i confini della propria nazione.


Le tre finiture disponibili: gloss black, matte black e matte white
- click per ingrandire -

Niente distributori per ogni nazione, niente distributori di zona e niente negozianti, così che il prezzo possa essere tanto contenuto da partire ampiamente avvantaggiato pur conservato un elevato valore tecnologico.  Certo non deve essere una vita facilissima, ma la qualità dei prodotti, internet e la celerità delle spedizioni hanno sortito l’effetto desiderato. I due sub in prova appartengono alla “Sub 17 series” composta da un 12, un 10 ed un 8 pollici. I due modelli maggiori, che ci accingiamo a provare, sono amplificati da un classe D che è identico per entrambi i modelli. Niente trasformatore enorme, peso e alette di raffreddamento molto piccole.

Caratteristiche dichiarate:

XTZ 10.17

Tipo: 10”  - subwoofer attivo ibrido (reflex/sospensione)
Potenza: classe D 800 Watt picco 500 Watt rms
Ingressi: XLR ed RCA
Risposta in frequenza: 20 – 160 Hz +/- 3 dB
Frequenza di crossover: 40 - 160 Hz oppure bypass
Fase: variabile da 0 a 180°
Woofer: da 250 mm a corsa lunga 
Dimensioni: 320 x 420 x 380 mm (L x A x P)
Peso: 19,5 Kg
Linkwww.xtz.se/product/sub-10-17
Prezzo: € 545,00 tasse incluse

 

XTZ 12.17

Tipo: 12”  - subwoofer attivo ibrido (reflex/sospensione)
Potenza: classe D 800 Watt picco 500 Watt rms
Ingressi: XLR ed RCA 
Risposta in frequenza: 19 – 160 Hz +/- 3 dB
Frequenza di crossover: 40 - 160 Hz oppure bypass
Fase: variabile da 0 a 180° 
Woofer: da 320 mm a corsa lunga 
Dimensioni: 395 x 500 x 400 mm (L x A x P)
Peso: 25,9 Kg
Linkwww.xtz.se/product/sub-12-17
Prezzo: € 645,00 tasse incluse

 

 

Pagina 2 - Costruzione, trasduttori e accordo


- click per ingrandire -

Per farsi una idea della costruzione è quasi del tutto inutile cercare di smontare i woofer a qualunque costo. La guarnizione che copre la flangia degli altoparlanti è molto rigida e si rischia di rovinarne l’estetica qualora si voglia insistere con un cacciavite o altro “corpo contundente”. Molto meglio smontare l’elettronica posteriore, rimuovendo una per una tutte le viti che ne assicurano il fissaggio e la tenuta. I trasduttori, a detta del costruttore, sono molto particolari e l’idea che siano nel vero mi è venuta appena, come i ragazzini, ho messo le mani sulla membrana per spostarla avanti ed indietro. Come vado predicando da anni questi driver rappresentano l’esatto contrario dei driver costruiti oggi per le basse frequenze. Non usa masse da 500 grammi e nemmeno cedevolezze da zero-virgola-zero… millimetri per Newton, ma al contrario usa una massa molto contenuta ed una cedevolezza nei limiti possibili.

Questa scelta ne implica altre: una massa leggera con una cedevolezza decente deve possedere una notevole escursione lineare ed una bassa deformazione delle componenti elastiche, ovvero centratore ed anello esterno di sospensione. Questi ultimi a parità di forza applicata sono soggetti a deformazioni maggiori rispetto ai driver a bassa cedevolezza e quindi devono essere studiati con attenzione. Per il materiale della membrana è stata scelta la cellulosa a fibre lunghe che, a detta del costruttore, è l’unica capace di mettere d’accordo leggerezza e rigidità. Le sospensioni sono realizzate in gomma ed utilizzano una lavorazione messa a punto dallo stesso costruttore. Un anello di alluminio posto sul polo centrale assicura assieme alla terminazione a “T” una notevole linearità del campo magnetico. 


- click per ingrandire -

L’interno, come visibile dalle foto, appare immediatamente di gran solidità. Un rinforzo interno posto all’incirca alla metà del box, sia nel modello più piccolo che in quello più grande, riduce ad un nulla qualunque innesco di vibrazione, lasciando comunque spazio all’emissione posteriore della membrana. Tutte le pareti al di fuori di quella che ospita l’altoparlante e quella, alle spalle, che ospita l’elettronica, ricevono un irrigidimento notevole dalla struttura di rinforzo, che ha uno spessore simile a quello delle pareti con cui sono costruiti i due box. L’interno dei due subwoofer risulta dunque suddiviso in setti, anche se le profonde aperture laterali consentono un agevole passaggio dell’aria, evitando pericolosi “sub-accordi”  interni che spesso rovinano la regolarità della risposta.

I due condotti interni possono apparire ad una prima occhiata abbastanza strani. In entrambi i subwoofer abbiamo infatti due condotti che possono essere utilizzati o invalidati a seconda delle esigenze dell’ambiente grazie a due cilindri di poliuretano mediamente denso forniti in dotazione che ne possono chiudere uno o entrambi. Nel Sub 10.17 con un trasduttore da 10 pollici abbiamo due condotti da 85 millimetri di diametro interno mentre nel Sub 12.17 entrambi i condotti hanno un diametro da ben 10 centimetri.  La cosa simpatica ed all’apparenza strana è rappresentata dalla lunghezza. In entrambi i modelli possiamo notare come un condotto sia abbastanza corto (18 cm. nel sub grande e 25 nel sub piccolo) mentre l’altro sia sensibilmente più lungo (57 cm nel sub grande e 31 nel sub piccolo). I quattro condotti sono tutti leggermente svasati sia all’uscita sul pannello frontale che all’interno.


- click per ingrandire -

La differenza tra la lunghezza dei condotti di accordo ha messo in moto una serie di analisi abbastanza frettolose e spettacolari per imprecisione e fantasia. Guardando il circuito dall’inflessibile punto di vista del modello matematico che ne regola il funzionamento ricordiamo che un condotto di accordo è assimilabile ad una induttanza con in serie una resistenza che ne limita le prestazioni a causa delle perdite, perdite che possono essere dovute alle dimensioni, alla struttura dritta o dotata di varie piegature, ed alla presenza di materiale assorbente all’interno o nelle vicinanze. Montare due condotti di caratteristiche diverse che lavorano nello stesso volume significa avere nel modello completo due induttanze in parallelo, con perdite, e quindi con resistenze, leggermente differenti ma comunque quasi del tutto ininfluenti sulla frequenza di accordo. Tutto ciò nell’ipotesi che l’amplificatore di potenza fornisca una risposta priva di equalizzazioni particolari.

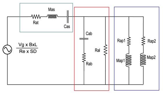
In Figura 1, qui in basso, possiamo vedere di cosa stiamo parlando. Il rettangolo di colore verde racchiude lo schema dell’altoparlante, quello rosso le porzioni di circuito costituenti il volume del box ed infine il rettangolo blu identifica i due condotti di accordo Map1 e Map2, e le due resistenze di perdita  Rap1 e Rap2. Per un valore di Rap1 e Rap2 ragionevolmente contenuto è chiaro che le due induttanze siano da considerarsi in parallelo, e che diano origine ad una sola induttanza di valore sensibilmente inferiore, motivo per il quale la frequenza di accordo box-condotti aumenterà, esattamente come visibile nei grafici di risposta. Volendo misurare le risposte dei singoli condotti scopriamo che sul Sub 12.17 le diverse dimensioni conducono a frequenze di accordo di 25,8 Hz e 28 Hz, mentre sul Sub 10.17 siamo a 26,8 e 28 Hz.


- click per ingrandire -

Almeno nella risposta pratica, fortemente condizionata dall’equalizzazione del DSP che interviene ovviamente quasi alle stesse frequenze. Il fatto poi che ci sia un passa alto equalizzatore, ovvero un passa alto poco smorzato con svariati decibel di esaltazione sancisce, ove non sia ben chiaro, che anche con la configurazione “cassa chiusa” ovvero con tutti i condotti chiusi, la pendenza del passa alto è sempre superiore a 24 decibel per ottava, ovvero come quella caratteristica di un bass reflex. Quindi toglietevi dalla testa lo smorzamento caratteristico di una sospensione pneumatica!

 

Pagina 3 - Elettronica e amplificazione


- click per ingrandire -

La piastra di amplificazione e trattamento del segnale è collegata al woofer con i soli due contatti della bobina mobile, senza accelerometri o controlli di corrente. Le elettroniche di pilotaggio sono praticamente identiche, ed entrambe suddivise in due blocchi: il trattamento di segnale via DSP e l’amplificatore di potenza vero e proprio in classe D. La dotazione per lo stadio di ingresso fornisce ingressi sbilanciati e bilanciati, con tanto di “pass through” ovvero di passaggio del segnale, magari per un altro subwoofer o per il sistema main amplificato. E’ un passaggio diretto dal connettore di ingresso, senza che il segnale attraversi alcuno stadio. Le regolazioni sono le solite, ovvero controllo continuo della frequenze di incrocio, controllo continuo della fase e controllo del volume.


- click per ingrandire -

A lato dei controlli troviamo tre deviatori. Il primo consente l’esclusione del crossover elettronico, opzione raramente utile per la connessione ad una uscita LFE che non ha nella pratica condizioni certe e definite.  Il secondo permette di scegliere tra andamenti di risposta a seconda della destinazione d’uso e del posizionamento del sub. Oltre all’andamento REF, ovvero assolutamente piatto, troviamo la EQ1 che elimina un po’ di basse frequenze e può risultare utile nei piccoli ambienti, mentre la EQ2 crea un andamento della risposta meno esteso ma più aggressivo, l’ideale per riproduzione dell’audio dei film di azione.  Il terzo deviatore infine definisce le modalità di accensione, con la possibilità che il sub si accenda da solo all’arrivo del segnale audio.

 
- click per ingrandire -

L’amplificatore di potenza è realizzato in classe D ed è lo stesso impiegato sui subwoofer XTZ per uso professionale. La potenza continua è di 500 Watt rms, ma per picchi di durata molto limitata, come possono essere le percussioni o i rumori impulsivi,  riesce a salire parecchio più in alto.

 

Pagina 4 - Lab: le misure dei due subwoofer

 


Per quanto abbiamo visto finora la sessione misure si preannuncia ben articolata, viste le numerose possibilità di taratura e variazioni della risposta offerte dai due subwoofer.

 

 
- click per ingrandire -

La prima rilevazione è quella della risposta al variare della posizione della manopola del crossover elettronico. Ho effettuato questa misura dapprima escludendo del tutto il crossover, e poi ho utilizzato le tre posizioni caratteristiche, ovvero con la manopola ruotata al massimo (160 Hz), con la manopola in posizione mediana (70 Hz) ed infine con la manopola del taglio in frequenza spostata al minimo (40 Hz). La misura è stata fatta in configurazione cassa chiusa, ovvero con entrambi i condotti ben tappati. Come possiamo notare nei due grafici di risposta è presente un primo filtro passa basso che anche a crossover disinserito opera una prima frequenza di incrocio a circa 200 Hz, con una pendenza di attenuazione di quasi 14 decibel per ottava. Sia nel modello con il 10 pollici che nel modello maggiore non possiamo non notare la buona precisione nell’effettivo taglio acustico. Questa qualità non è da poco, perché nella media dei subwoofer misurati è quanto meno raro ottenere una buona precisione. Sono sicuro che nelle fasi di messa a punto iniziale la precisione delle indicazioni ci sarà molto utile. In entrambi i modelli possiamo vedere come la frequenza effettiva in condizioni anecoiche sia posta tra i 22 ed i 23 Hz, effettivamente notevole. Il crossover elettronico impone una pendenza appena maggiore di 24 decibel ad ogni raddoppio della frequenza o, come si dice, di 24 dB per ottava. Possiamo notare in entrambi i grafici che la sola frequenza di incrocio di 40 Hz produce una pendenza iniziale più blanda, dovuta alla risposta non filtrata dei woofer e dalla vicinanza del taglio alla frequenza a -3 dB.

 
- click per ingrandire -

La seconda misura è stata effettuata sui condotti di accordo facendoli funzionare, ovviamente uno alla volta. Non inganni la grande similitudine di risposta tra i due condotti di dimensioni molto differenti. Nella realtà della filtratura sono entrambi ben influenzati sia dall’equalizzazione per allineare la gamma bassa che dalle dimensioni ridotte dei due volumi a disposizione per il carico. Nella misura effettuata sul subwoofer di dimensioni maggiori va notato come il condotto più corto alla fine generi una spuria ben catturata dal campo vicino a 330 Hz ma ininfluente ai fini della risposta acustica.

 
- click per ingrandire -

Questa misura vi mostra invece come cambia la risposta utilizzando i condotti uno alla volta, tutti insieme oppure occludendoli completamente. In entrambi i sub notiamo come l’apertura contemporanea di entrambi a fronte di una velocità del flusso d’aria ridotta al minimo comporti uno slittamento verso le frequenze più alte e come l’occlusione dei due condotti conduca, a fronte di una pressione leggermente minore, ad una risposta più estesa ed, ovviamente, meno pendente. Mentre nel Sub12 non c’è variazione sostanziale della pressione a parità di tensione di ingresso nel Sub10 notiamo un innalzamento di circa 4 decibel tra 40 e 50 Hz, sia col condotto corto che con quello lungo. A chi mi farà notare che la pendenza della cassa chiusa non è di 12 decibel per ottava rispondo sin d’ora che quella è l’azione del filtro passa alto. 

 
- click per ingrandire -

Questa misura mostra le differenze tra i due tipi di equalizzazione partendo come per tutte le misure, dalla risposta in cassa chiusa. Come possiamo vedere dai grafici l’equalizzazione EQ1 abbassa un po’ il livello delle frequenze più profonde  per adattare il subwoofer ad un ambiente magari non proprio idoneo, mentre la EQ2 sembrerebbe pensata per aumentare il punch sul sonoro dei film di azione. Quest’ultimo tipo di equalizzazione, ancorché meno simpatica da guardare e valutare su un grafico si rivela, all’atto pratico molto aggressiva e tutto sommato anche ben indovinata nel comportamento che assumono entrambi i subwoofer all’atto pratico. L’altra eq può tornare utile, magari, quando il sub è troppo vicino ad una parete. 

 
- click per ingrandire -

Alla fine delle misure troviamo la distorsione armonica in regime impulsivo. Solitamente eseguiamo delle misure di distorsione partendo da una pressione media inferiore, ma nel caso dei due subwoofer sotto test avremmo rischiato di non vedere alcuna armonica di ordine superiore. La misura che ho fatto ad 80 ed 85 deciBel infatti mostrava nel primo caso, ad 80 dB,  solo un po’ di seconda armonica e nel secondo, ad 85 dB solo la seconda ed un po’ di terza armonica, appena più visibile nel modello col 10 pollici. Ho pensato allora di innalzare il livello a 90 e 100 dB per vedere il comportamento di tutte le componenti e per evidenziale l’unico sottoprodotto di una equalizzazione abbastanza spinta: la non linearità. Va notato, e lo ripeto spesso, che si tratta della distorsione che si genera pilotando il subwoofer con diversi cicli di sinusoide, una condizione che nella pratica è poco rispettata. Come possiamo vedere dai grafici a 90 decibel di pressione media il subwoofer da 10 pollici sembra soffrire appena un po’ di più rispetto al 12 pollici nel valore raggiunto da tutte le componenti armoniche, e la cosa ovviamente non ci meraviglia più di tanto, visto che a parità di pressione sonora emessa ha una escursione maggiore il woofer che ha una superficie emissiva inferiore. I due grafici comunque sono simili, con tutti i valori che precipitano a percentuali bassissime appena superati i 30-35 Hz. In banda passante infatti notiamo solo sul dieci pollici un picco di seconda armonica che comunque non raggiunge lo 0,7%, valore comunque basso in assoluto. Nello stesso intervallo di frequenze il 12 pollici supera appena lo 0,3%, valore estremamente basso. Le armoniche superiori, salvo alle bassissime frequenze sono invisibili. 

 
- click per ingrandire -

Innalzando il segnale di ingresso di 10 deciBel l’inviluppo delle varie componenti armoniche non cambia pur con il valore che ovviamente aumenta. Notiamo come con il sub che utilizza il 10 pollici la seconda armonica salga al 32% mentre la terza si avvicini al 5,6%, valori che in assoluto sono elevati ma che nel contesto di una frequenza quasi infrasonica siano poco significativi. Tanto più che tra i 30 ed i 40 Hz si ridiscende in una zona da “zerovirgola”per tutte le componenti. Il picco di seconda armonica visto prima raggiunge infatti un modestissimo 0,8%. La terza armonica in gamma mediobassa risale allo 0,1%, una distorsione quasi nulla. Passando al 12 pollici il quadro sostanzialmente non cambia, con la seconda armonica appena più lenta a smaltirsi e la terza armonica ancora decisamente bassa. Le armoniche superiori fanno la loro comparsa, ma sono comunque confinate alla base del grafico. Vi ricordo che a queste frequenze un subwoofer di soli dieci anni fa, i cosiddetti “gommoni” avrebbero proposto valori almeno dieci volte tanto.

 

Pagina 5 - Ascolto, conclusioni e pagella


- click per ingrandire -

L’ascolto di un subwoofer è di per se abbastanza critico se prima non si provvede ad allestire un impianto perfettamente bilanciato. Per poter eseguire un incrocio abbastanza poco appariscente con due satelliti occorre decidere con grande attenzione cosa fare, dove farlo e che satelliti usare. Per questa prova ho scelto due sistemi da pavimento, che virtualmente possono scendere ben al di sotto del minimo taglio imponibile ai due subwoofer. Muniti di un passa alto parametrico e di una elettronica abbastanza potente ho scelto una frequenza di incrocio di 70 Hertz ed un taglio molto smorzato, in modo da avere un andamento della fase ben aderente a quella dei subwoofer. Si è trattato comunque di una messa a punto abbastanza snervante ma alla fine di tutte le misure posso dire di avere un sistema tale da far sparire completamente il subwoofer, tanto che ascoltando il sistema si potrebbe pensare che il sub, in questo caso il Sub 10.17, sia spento.

Il subwoofer deve suonare soltanto quando ci sono bassissime frequenze da riprodurre e non sempre. Per i test dei subwoofer occorre giudicare al massimo due ottave e la faccenda appare abbastanza complessa e foriera di errori. Una volta notata l’estensione in gamma bassissima e lo smorzamento rimane veramente poco da dire e ci si può perdere, per allungare il brodo, in mille rivoli che hanno a che fare con altro. La differenza tra l’ascolto col Sub10 e quello col Sub12 riguarda appena appena l’estensione e la frequenza scelta per l’incrocio, visto che ovviamente non voglio più cambiare la resa acustica del sistema satellite. Il basso è un tantino asciutto, ma è possente e bene esteso, a fronte di una dimensione tutto sommato abbastanza contenuta. La dinamica è notevole e supera ampiamente il range di cui ho ragionevolmente bisogno nel mio ambiente di ascolto. Il basso comunque gira mediamente tondo, compatto ed appena aggressivo, quel tanto che basta per farsi notare come suono basso proveniente, in maniera incredibile, dai diffusori.

Lo smorzamento non è il massimo, e si ha sempre l’impressione che la resa sia troppo compatta ed asettica. Ma la buona estensione copre in parte questo inconveniente. Passando al Sub12 si nota un piccolo vantaggio sia in termini di estensione che di smorzamento. Non una grandissima cosa ma si nota. La manopola del volume appare meno sensibile dell’altra allo stesso identico segnale passatogli dalla sorgente, ma questo non importa più di tanto, visto che mi sono sempre mantenuto attorno ad un terzo di rotazione anche nei momenti di pressione …esagerata. Si può ottenere, almeno nel mio ambiente di ascolto, una pressione esagerata senza quasi sforzo e si può chiedere spesso l’impossibile senza che si producano borbottii di alcun tipo alle membrane dei sub. Probabilmente, non ne sono sicuro, all’interno del dsp c’è anche un controllo sui picchi di segnale che potrebbero diventare pericolosi per l’integrità dell’elettronica o per quella del trasduttore.

Dopo un paio d’ore di ascolti più o meno normali ho iniziato con i soliti brani da brividi: canne d’organo, percussioni con tamburi giapponesi e musica rock incisa bene. Livelli sostenuti, tanto i satelliti permettono di esagerare, giusto per notare che i due sub, collegati entrambi ma fatti funzionare uno alla volta, non fanno storie, con una timbrica che non cambia più di tanto col livello, se non proprio quando l’amplificatore ha raggiunto il suo massimo, ma non su un singolo picco, che passa bene lo stesso senza storie. 

In conlcusione, non si tratta affatto di due subwoofer banali e detto senza mezzi termini a me sono piaciuti. Per la costruzione, la progettazione a monte degli altoparlanti e per tutte le possibilità offerte dal dsp e dall’amplificatore di notevole potenza. Avrei preferito, in vero, un filo di smorzamento in più, giusto per poterli paragonare a subwoofer molto più conosciuti e costosi. Sarà meglio tenere d’occhio questo marchio che sa cosa vuole e sa come ottenerlo. Il prezzo dei due subwoofer sono molto allettanti e se XTZ continua con questa politica sono sicuro che avremo ancora modo di parlarne. 

Benchmark XTZ 10.17 = 7,43

Estensione in freq.  8,5
Dist. f-3 @ 100dB 7
Vibrazioni 7
Diametro woofer 5,5
Controlli 8
Tenuta in potenza 8
Rapporto Q/P  8

 

Benchmark XTZ 12.17 = 7,50

Estensione in freq.  8,5
Dist. f-3 @ 100dB 8
Vibrazioni 7
Diametro woofer 6
Controlli 8
Tenuta in potenza 8
Rapporto Q/P  8,5